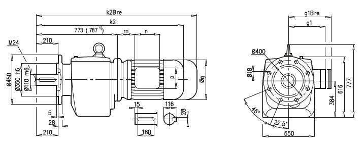
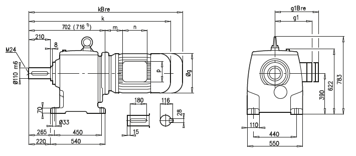
Габаритные и присоединительные размеры NORD мотор-редукторы SK 92, SK 92F

 

Назад

SK 92

SK 92

SK 92F

SK 92F

A45

180 MX/LX

225 S/M

250 M 1)

280 S 1)

280 M 1)

315 S 1)

315 M 1)

g

358

398

495

555

555

610

610

g1 / g1Bre

259 / 259

306 / 306

392 / 392

432 / 432

432 / 432

500 / –

500 / –

k / kBre

1304 / 1409

1389 / 1556

1476 / 1556

1546 / 1726

1536 / 1826

1648 / –

1808 / –

k2 / k2Bre

1375 / 1480

1460 / 1627

1547 / 1797

1617 / 1797

1607 / 1897

1719 / –

1879 / –

m / mBre

93 / 78

110 / 110

129 / 129

144 / 144

144 / 144

132 / –

132 / –

n / nBre

132 / 162

192 / 192

234 / 236

236 / 236

236 / 236

307 / –

307 / –

p / pBre

152 / 162

260 / 260

300 / 300

300 / 300

300 / 300

380 / –

380 / –

 

Назад

 
© 2014 Редукторы, мотор-редукторы, устройства плавного пуска, преобразователи частоты