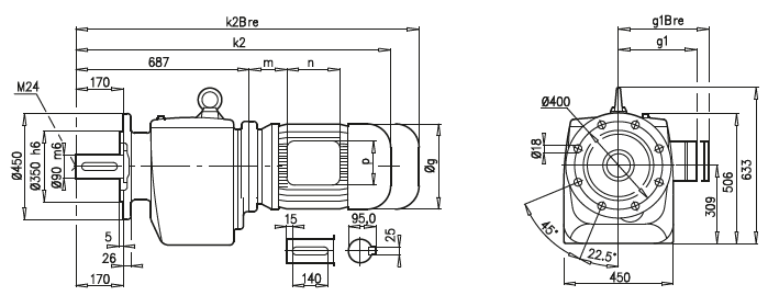
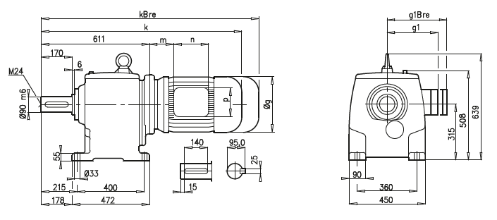
Габаритные и присоединительные размеры NORD мотор-редукторы SK 83, SK 83F

 

Назад

SK 83

SK 83

SK 83F

SK 83F

A45

100 L

112 M

132 S/M

160 M/L

180 MX/LX

200 L

225 S/M

g

201

228

266

320

358

398

398

g1 / g1Bre

169 / 172

179 / 182

204 / 201

242 / 242

259 / 259

306 / 306

306 / 306

k / kBre

917 / 1008

937 / 1030

1046 / 1153

1103 / 1282

1213 / 1318

1298 / 1465

1298 / 1465

k2 / k2Bre

993 / 1084

1013 / 1106

1122 / 1229

1179 / 1358

1289 / 1394

1374 / 1541

1374 / 1541

m / mBre

32 / 36

45 / 49

71 / 64

52 / 52

93 / 78

110 / 110

110 / 110

n / nBre

114 / 153

114 / 153

122 / 185

186 / 186

132 / 162

192 / 192

192 / 192

p / pBre

114 / 108

114 / 108

122 / 139

186 / 186

152 / 162

260 / 260

260 / 260

 

Назад

 
© 2014 Редукторы, мотор-редукторы, устройства плавного пуска, преобразователи частоты