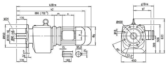
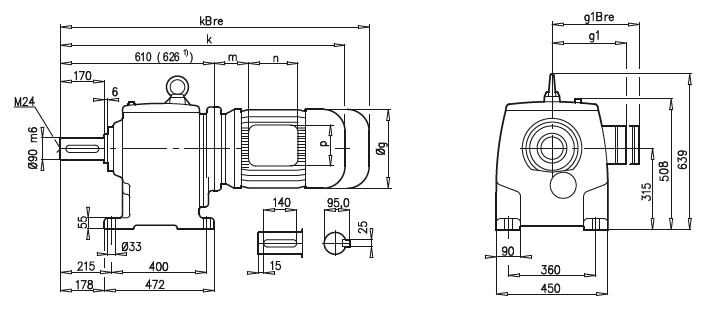
Габаритные и присоединительные размеры NORD мотор-редукторы SK 82, SK 82F

 

Назад

SK 82

SK 82

SK 82F

SK 82F

A45

132 M

160 M/L

180 MX/LX

200 L

225 S/M

250 M 1)

280 S 1)

g

266

320

358

398

398

495

555

g1 / g1Bre

204 / 201

242 / 242

259 / 259

306 / 306

306 / 306

392 / 392

432 / 432

k / k2Bre

1045 / 1152

1102 / 1281

1212 / 1317

1297 / 1464

1298 / 1465

1386 / 1636

1456 / 1636

k2 / k2Bre

1121 / 1228

1178 / 1357

1288 / 1393

1373 / 1540

1373 / 1540

1462 / 1712

1532 / 1712

m / mBre

71 / 64

52 / 52

93 / 78

110 / 110

110 / 110

129 / 129

144 / 144

n / nBre

122 / 185

186 / 186

132 / 162

192 / 192

192 / 192

236 / 236

236 / 236

p / pBre

122 / 139

186 / 186

152 / 162

260 / 260

260 / 260

300 / 300

300 / 300

 

Назад

 
© 2014 Редукторы, мотор-редукторы, устройства плавного пуска, преобразователи частоты