
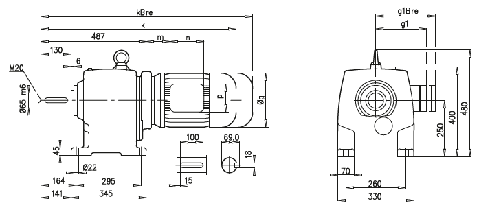
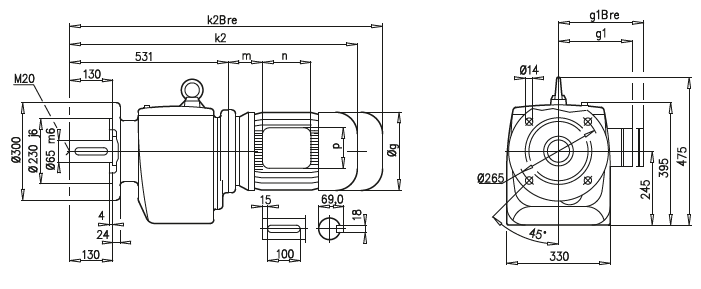
Габаритные и присоединительные размеры NORD мотор-редукторы SK 62, SK 62F |
| |
SK 62

SK 62F

A45 |
112 M |
132 S/M |
160 M/L |
180 MX/LX |
200 L |
225 S/M |
g |
228 |
266 |
320 |
358 |
398 |
398 |
g1 / g1Bre |
179 / 182 |
204 / 201 |
242 / 242 |
259 / 259 |
306 / 306 |
306 / 306 |
k / kBre |
813 / 906 |
922 / 1029 |
979 / 1158 |
1089 / 1194 |
1174 / 1341 |
1174 / 1341 |
k2 / k2Bre |
857 / 950 |
966 / 1073 |
1023 / 1202 |
1133 / 1238 |
1218 / 1385 |
1218 / 1385 |
m / mBre |
45 / 49 |
71 / 64 |
52 / 52 |
93 / 78 |
110 / 110 |
110 / 110 |
n / nBre |
114 / 153 |
122 / 185 |
186 / 186 |
132 / 162 |
192 / 192 |
192 / 192 |
p / pBre |
114 / 108 |
122 / 139 |
186 / 186 |
152 / 162 |
260 / 260 |
260 / 260 |
|
| |