
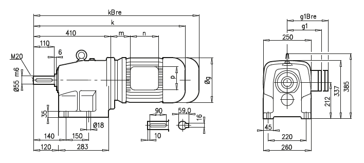
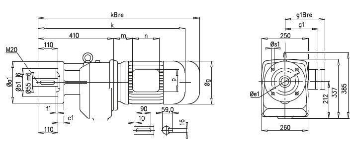
Габаритные и присоединительные размеры NORD мотор-редукторы SK 52, SK 52F |
| |
SK 52

SK 52F

a1 |
b1 |
c1 |
e1 |
f1 |
s1 |
250 |
180 |
16 |
215 |
4,0 |
14 |
300 |
230 |
20 |
265 |
4,0 |
14 |
A45 |
90 S/L |
100 L |
112 M |
132 S/M |
160 M/L |
180 MX/LX |
g |
183 |
201 |
228 |
266 |
320 |
358 |
g1 / g1Bre |
147 / 147 |
169 / 172 |
179 / 182 |
204 / 201 |
242 / 242 |
259 / 259 |
k / kBre |
686 / 761 |
716 / 807 |
739 / 832 |
825 / 932 |
902 / 1081 |
1032 / 1137 |
m / mBre |
26 / 30 |
32 / 36 |
48 / 52 |
51 / 44 |
52 / 52 |
93 / 78 |
n / nBre |
114 / 153 |
114 / 153 |
114 / 153 |
122 / 185 |
186 / 186 |
132 / 162 |
p / pBre |
114 / 108 |
114 / 108 |
114 / 108 |
122 / 139 |
186 / 186 |
152 / 162 |
|
| |