
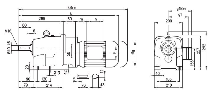
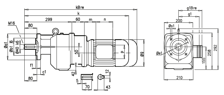
Габаритные и присоединительные размеры NORD мотор-редукторы SK 33N, SK 33NF |
| |
SK 33N

SK 33NF

a1 |
b1 |
c1 |
e1 |
f1 |
s1 |
200 |
130 |
12 |
165 |
3,5 |
11 |
250 |
180 |
16 |
215 |
4,0 |
14 |
A45 |
63 S/L |
71 S/L |
80 S/L |
g |
130 |
145 |
165 |
g1 / g1Bre |
115 / 123 |
124 / 133 |
142 / 142 |
k / kBre |
555 / 611 |
595 / 653 |
620 / 684 |
m / mBre |
16 / 23 |
42 / 44 |
47 / 51 |
n / nBre |
100 / 134 |
100 / 134 |
114 / 153 |
p / pBre |
100 / 89 |
100 / 89 |
114 / 108 |
|
| |