
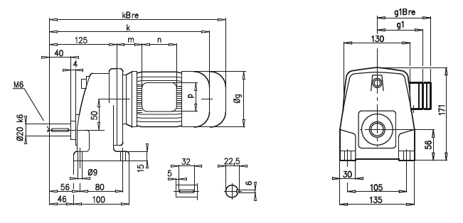
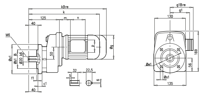
Габаритные и присоединительные размеры NORD мотор-редукторы SK 11E, SK 11EF |
| |
SK 11E

SK 11EF

a1 |
b1 |
c1 |
e1 |
f1 |
s1 |
120 |
80 |
10 |
100 |
3,0 |
7 |
140 |
95 |
10 |
115 |
3,0 |
9 |
A45 |
63 S/L |
71 S/L |
80 S/L |
90 S/L |
100 L |
112 M |
g |
130 |
145 |
165 |
183 |
201 |
228 |
g1 / g1Bre |
115 / 123 |
124 / 133 |
142 / 142 |
147 / 147 |
169 / 172 |
179 / 182 |
k / kBre |
321 / 377 |
361 / 419 |
386 / 450 |
427 / 502 |
457 / 548 |
480 / 573 |
m / mBre |
16 / 23 |
42 / 44 |
47 / 51 |
52 / 56 |
58 / 62 |
74 / 78 |
n / nBre |
100 / 134 |
100 / 134 |
114 / 153 |
114 / 153 |
114 / 153 |
114 / 153 |
p / pBre |
100 / 89 |
100 / 89 |
114 / 108 |
114 / 108 |
114 / 108 |
114 / 108 |
|
| |