|

Радиальные и осевые нагрузки NORD |
| |
|
Fqe ≤ Fqem
Fqa ≤ Fqam

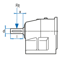
| Тип |
y
[mm] |
z
[mm] |
c
[Nmm] |
cVL
[Nmm] |
f
[mm] |
d
[mm] |
l
[mm] |
SK 11E |
65,0 |
85,0 |
-- |
-- |
39,0 |
20 |
40 |
SK 21E |
77,0 |
102,0 |
-- |
-- |
50,0 |
25 |
50 |
SK 31E |
104,5 |
134,5 |
-- |
-- |
69,5 |
30 |
60 |
SK 41E |
111,5 |
146,5 |
-- |
-- |
67,0 |
35 |
70 |
SK 51E |
125,0 |
165,0 |
-- |
-- |
74,0 |
40 |
80 |
SK 02, SK 03 |
63,8 |
83,8 |
0,06 x 106 |
0,10 x 106 |
11,8 |
20 |
40 |
SK 12, SK 13 |
73,5 |
98,5 |
0,12 x 106 |
0,18 x 106 |
14,0 |
25 |
50 |
SK 22, SK 23 |
86,0 |
116,0 |
0,19 x 106 |
0,30 x 106 |
14,0 |
30 |
60 |
SK 32, SK 33N |
112,5 |
152,5 |
0,39 x 106 |
0,60 x 106 |
30,0 |
40 |
80 |
SK 42, SK 43 |
123,0 |
168,0 |
0,42 x 106 |
0,73 x 106 |
30,0 |
45 |
90 |
SK 52, SK 53 |
149,5 |
204,5 |
0,92 x 106 |
1,56 x 106 |
35,0 |
55 |
110 |
SK 62, SK 63 |
191,0 |
256,0 |
1,46 x 106 |
2,46 x 106 |
35,0 |
65 |
130 |
SK 72, SK 73 |
212,0 |
282,0 |
2,13 x 106 |
4,45 x 106 |
37,0 |
75 |
140 |
SK 82, SK 83 |
248,5 |
333,5 |
4,24 x 106 |
6,89 x 106 |
38,0 |
90 |
170 |
SK 92, SK 93 |
278,0 |
383,0 |
8,07 x 106 |
12,50 x 106 |
41,0 |
110 |
210 |
SK 102, SK 103 |
323,5 |
448,5 |
14,86 x 106 |
22,84 x 106 |
46,0 |
130 |
250 |
|
| |
|
| ©
2014 Редукторы, мотор-редукторы, устройства плавного пуска, преобразователи частоты |
|
|