Червячный мотор-редуктор NMRV 130

Мотор-редукторы NMRV

Мотор-редуктор серии NMRV 130 служит в качестве привода различных машин и оборудования. Редуктор имеет прочный корпус, изготовленный из серого чугуна. Выходной вал полый сквозной - диаметром 45 мм. Передаточное отношение может быть в пределах 7,5 – 100. Комплектуются электродвигателями мощностью от 0,75 – 7,5 кВт.

Вернуться в общее описание

 

Редукторы NMRV имеют следующие типоразмеры:

nmrv 030, nmrv 040, nmrv 050, nmrv 063, nmrv 075, nmrv 090, nmrv 110, nmrv 130, nmrv 150

  • Типоразмер - 130 - изготавливается из серого чугуна, с последующей механической обработкой;
  • Нагрузочная способность в соответствии с: ISO 14521, ISO 6336, DIN 3990, DIN 743, ISO 281, DIN 3996, BS 721, AGMA 6034;
  • Передаточное отношение - 7,5 - 100;
  • Мощность электродвигателя - 0,75 - 7,5 квт;
  • Момент на выходном валу - 280 - 1596 Нм;
  • Окраска редуктора синяя - RAL 5010.

 

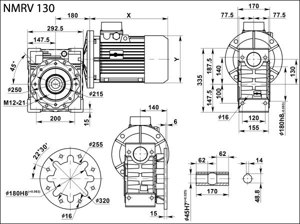
Габаритные и присоединительные размеры NMRV 130

Габаритные и присоединительные размеры NMRV 130

 

Выходные обороты и мощность электродвигателя

Мощность электродвигателя в кВт
Скорость вращения выходного вала в об/мин
Момент на выходном валу в Нм
Сервис-фактор s/f
Передаточное отношение - i
Габарит и количество полюсов электродвигателя
Максимальная радиальная нагрузка на выходной вал
0,75
11.3
407
2.1
80
90S6
12989
9.0
470
1.7
100
13500
1,1
11.3
598
1.4
80
90 L6
12989
9.0
689
1.1
100
13500
17.5
408
2.1
80
90S4
11210
14.0
480
1.5
100
12076
1,5
22.5
478
2.3
40
100L6
10309
18.0
573
1.8
50
11105
15.0
659
1.4
60
11801
11.3
815
1.1
80
12989
17.5
557
1.5
80
90L4
11210
14.0
655
1.1
100
12076
2,2
35.0
468
2.2
40
100LA4
8897
28.0
563
1.7
50
9584
23.3
648
1.4
60
10185
17.5
816
1.0
80
11210
36.0
479
2.2
25
112M6
8814
30.0
546
2.1
30
9366
22.5
700
1.6
40
10309
18.0
840
1.2
50
11105
15.0
966
1.0
60
11801
35.0
438
1.3
80
90L2
8897
28.0
525
1.0
100
9584
3
56.0
430
2.2
25
100LB4
7607
46.7
491
2.1
30
8084
35.0
638
1.6
40
8897
28.0
767
1.3
50
9584
23.3
884
1.0
60
10185
17.5
1113
0.8
80
11210
90.0
280
3.4
10
132S6
6494
60.0
406
2.6
15
7434
45.0
535
1.9
20
8182
36.0
653
1.6
25
132S6
8814
30.0
745
1.6
30
9366
22.5
955
1.2
40
10309
4
56.0
573
1.6
25
112M4
7607
46.7
655
1.6
30
8084
35.0
851
1.2
40
8897
28.0
1023
1.0
50
9584
23.3
1179
0.8
60
10185
120.0
287
3.1
7.5
132M6
5901
90.0
374
2.6
10
6494
60.0
541
2.0
15
7434
45.0
713
1.5
20
8182
36.0
870
1.2
25
8814
5,5
140.0
334
2.5
10
132S4
5605
93.3
490
1.9
15
6416
70.0
645
1.4
20
7062
56.0
788
1.2
25
7607
46.7
900
1.2
30
8084
35.0
1171
0.9
40
8897
7,5
186.7
349
2.1
7.5
132M4
5092
140.0
455
1.8
10
5605
93.3
668
1.4
15
6416
70.0
880
1.0
20
7062
56.0
1074
0.9
25
7607
46.7
1228
0.8
30
8084
35.0
1596
0.7
40
8897

 

Пример заказа редуктора:

NMRV - 130 - 25 - 56 - 5,5 - B3

NMRV - модель червячного редуктора
130 - габарит межцентровое расстояние в мм
25 - передаточное число
56 - скорость вращения выходного вала, об/мин
5,5 - мощность электродвигателя, кВт
B3 - расположение в пространстве

 

 
© 2014 Редукторы, мотор-редукторы, устройства плавного пуска, преобразователи частоты