Габаритные и присоединительные размеры TRC032, TRC032H, TRC032F, TRC032U

 

Назад

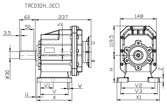
TRC032H

TRC032H

Установочные лапы

ТИП

H

U

V

V1

V2

V3

W

X

Х1

Z

воз

110

18

130

70

---

160

11

156

190

20

моз

110

30

100

---

135

150

11

150

190

18

МО4

110

32

110

---

170

185

14

150

230

20

ВО4

105

20,5

130

---

170

---

14

168

205

20

Масса редуктора - 11 кг

TRC032F

TRC032F

Выходной фланец

ТИП

F

K

K1

А

B

C

F160

160

110

130

3,5

10

9

F200

200

130

165

3,5

11

11

F250

250

180

215

4

13

13,5

Масса редуктора - 11,3 кг

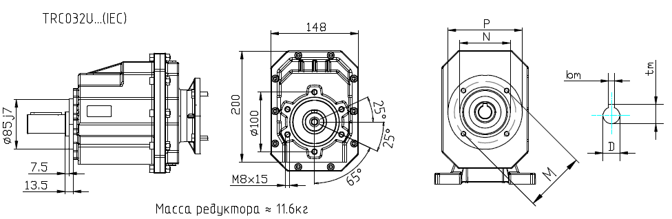
TRC032U

TRC032U

TRC032U

Входной фланец

PAM

N

M

P

D

mb

tm

71В5

110

130

160

14

5

16,3

71В14

70

85

105

80В5

130

165

200

19

6

21,8

80В14

80

100

120

90В5

130

165

200

24

8

27,3

90В14

95

115

140

100/112В5

180

215

250

28

8

31,3

100/112В14

110

130

160

 

Назад

 
© 2014 Редукторы, мотор-редукторы, устройства плавного пуска, преобразователи частоты