
Габаритные и присоединительные размеры NORD мотор-редукторы SK 9086.1, SK 9086.1AX, SK 9086.1AF, SK 9086.1VF, SK 9086.1AFB(AXB), SK 9086.1AZ, SK 9086.1AZEA, SK 9086.1AZB, SK 9086.1AZSH, SK 9086.1 AZK |
| |
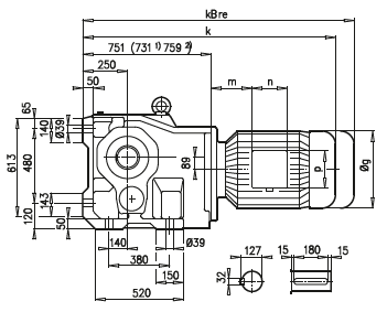
| SK 9086.1 |
SK 9086.1AX |
 |
 |
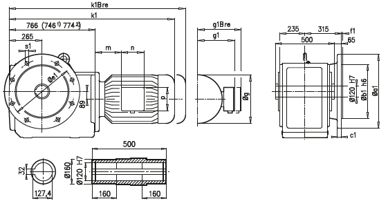
| SK 9086.1AF |
SK 9086.1VF |
 |
 |
a1 |
b1 |
c1 |
e1 |
f1 |
s1 |
660 |
550 |
32 |
600 |
6 |
8x22 |
A45 |
132 S/M |
160 M/L |
180 MX/LX |
200 L |
225 S/M |
250 M1) |
280 S2) |
280 M2) |
315 S2) |
315 M2) |
g |
266 |
320 |
358 |
398 |
398 |
495 |
555 |
555 |
610 |
610 |
g1 / g1Bre |
204 / 201 |
242 / 242 |
259 / 259 |
306 / 306 |
306 / 306 |
392 / 392 |
432 / 432 |
432 / 432 |
500 / – |
500 / – |
k1 / k1Bre |
1201 / 1308 |
1258 / 1437 |
1368 / 1473 |
1453 / 1620 |
1453 / 1620 |
1506 / 1756 |
1576 / 1756 |
1694 / 1884 |
1706 / – |
1866 / – |
k / kBre |
1186 / 1293 |
1243 / 1422 |
1353 / 1458 |
1438 / 1605 |
1438 / 1605 |
1491 / 1741 |
1561 / 1741 |
1579 / 1869 |
1691 / – |
1851 / – |
m / mBre |
71 / 64 |
52 / 52 |
93 / 78 |
110 / 110 |
110 / 110 |
129 / 129 |
144 / 144 |
144 / 144 |
132 / – |
132 / – |
n / nBre |
122 / 185 |
186 / 186 |
132 / 162 |
192 / 192 |
192 / 192 |
236 / 236 |
236 / 236 |
236 / 236 |
307 / – |
307 / – |
p / pBre |
122 / 139 |
186 / 186 |
152 / 162 |
260 / 260 |
260 / 260 |
300 / 300 |
300 / 300 |
300 / 300 |
380 / – |
380 / – |
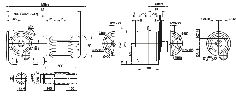
| SK 9086.1AZ |
 |
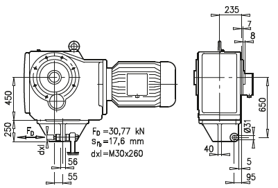
| SK 9086.1 AZK |
 |
A45 |
132 S/M |
160 M/L |
180 MX/LX |
200 L |
225 S/M |
250 M1) |
280 S1) |
280 M2) |
315 S2) |
315 M2) |
g |
266 |
320 |
358 |
398 |
398 |
495 |
555 |
555 |
610 |
610 |
g1 / g1Bre |
204 / 201 |
242 / 242 |
259 / 259 |
306 / 306 |
306 / 306 |
392 / 392 |
432 / 432 |
432 / 432 |
500 / – |
500 / – |
k1 / k1Bre |
1201 / 1308 |
1258 / 1437 |
1368 / 1473 |
1453 / 1620 |
1453 / 1620 |
1506 / 1756 |
1576 / 1756 |
1594 / 1884 |
1706 / – |
1866 / – |
m / mBre |
71 / 64 |
52 / 52 |
93/ 78 |
110 / 110 |
110 / 110 |
129 / 129 |
144 / 144 |
144 / 144 |
132 / – |
132 / – |
n / nBre |
122 / 185 |
186 / 186 |
132 / 162 |
192 / 192 |
192 / 192 |
236 / 236 |
236 / 236 |
236 / 236 |
307 / – |
307 / – |
p / pBre |
122 / 139 |
186 / 186 |
152 / 162 |
260 / 260 |
260 / 260 |
300 / 300 |
300 / 300 |
300 / 300 |
380 / – |
380 / – |
|
| |