
Габаритные и присоединительные размеры NORD мотор-редукторы SK 9072.1, SK 9072.1AX, SK 9072.1AF, SK 9072.1VF, SK 9072.1AFB(AXB), SK 9072.1AZ, SK 9072.1AZEA, SK 9072.1AZB, SK 9072.1AZSH, SK 9072.1 AZD, SK 9072.1 AZK |
| |
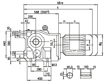
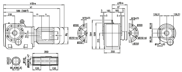
| SK 9072.1 |
SK 9072.1AX |
 |
 |
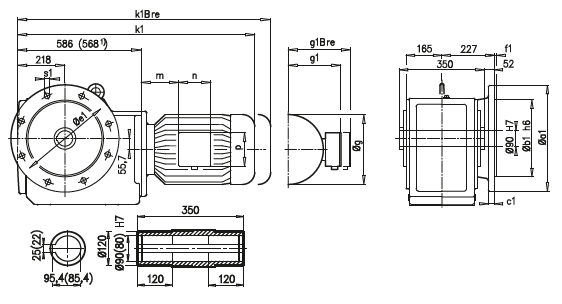
| SK 9072.1AF |
SK 9072.1VF |
 |
 |
a1 |
b1 |
c1 |
e1 |
f1 |
s1 |
450 |
350 |
22 |
400 |
5 |
8x18 |
550 |
450 |
28 |
500 |
5 |
8x18 |
A45 |
100 L |
112 M |
132 S/M |
160 M/L1) |
180 MX/LX1) |
200 L1) |
225 S/M1) |
g |
201 |
228 |
266 |
320 |
358 |
398 |
398 |
g1 / g1Bre |
169 / 172 |
179 / 182 |
204 / 201 |
242 / 242 |
259 / 259 |
306 / 306 |
306 / 306 |
k1 / k1Bre |
892 / 983 |
912 / 1005 |
1021 / 1128 |
1060 / 1239 |
1170 / 1275 |
1255 / 1422 |
1255 / 1422 |
k / kBre |
874 / 965 |
894 / 987 |
1003 / 1110 |
1042 / 1221 |
1152 / 1257 |
1237 / 1404 |
1237 / 1404 |
m / mBre |
32 / 36 |
45 / 49 |
71 / 64 |
52 / 52 |
93 / 78 |
110 / 110 |
110 / 110 |
n / nBre |
114 / 153 |
114 / 153 |
122 / 185 |
186 / 186 |
132 / 162 |
192 / 192 |
192 / 192 |
p / pBre |
114 / 108 |
114 / 108 |
122 / 139 |
186 / 186 |
152 / 162 |
260 / 260 |
260 / 260 |
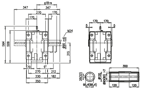
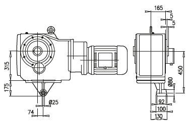
| SK 9072.1AZ |
 |
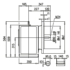
| SK 9072.1 AZD |
SK 9072.1 AZK |
 |
 |
A45 |
100 L |
112 M |
132 S/M |
160 M/L1) |
180 MX/LX1) |
200 L1) |
225 S/M1) |
g |
201 |
228 |
266 |
320 |
358 |
398 |
398 |
g1 / g1Bre |
169 / 172 |
179 / 182 |
204 / 201 |
242 / 242 |
259 / 259 |
306 / 306 |
306 / 306 |
k1 / k1Bre |
892 / 983 |
912 / 1005 |
1021 / 1128 |
1060 / 1239 |
1170 / 1275 |
1255 / 1422 |
1255 / 1422 |
m / mBre |
32 / 36 |
45 / 49 |
71 / 64 |
52 / 52 |
93 / 78 |
110 / 110 |
110 / 110 |
n / nBre |
114 / 153 |
114 / 153 |
122 / 185 |
186 / 186 |
132 / 162 |
192 / 192 |
192 / 192 |
p / pBre |
114 / 108 |
114 / 108 |
122 / 139 |
186 / 186 |
152 / 162 |
260 / 260 |
260 / 260 |
|
| |