
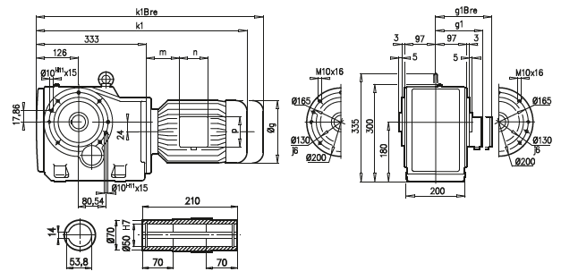
Габаритные и присоединительные размеры NORD мотор-редукторы SK 9032.1, SK 9032.1AX, SK 9032.1AF, SK 9032.1VF, SK 9032.1AFB(AXB), SK 9032.1AZ, SK 9032.1AZEA, SK 9032.1AZB, SK 9032.1AZSH, SK 9032.1 AZD, SK 9032.1 AZK |
| |
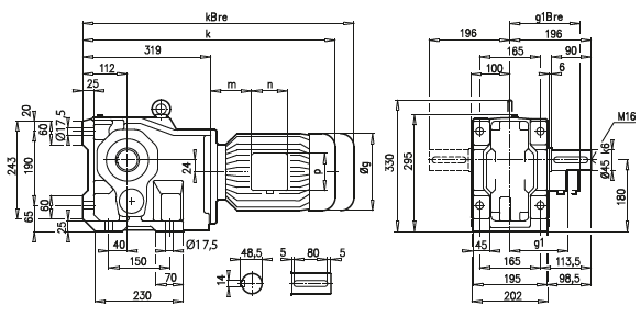
| SK 9032.1 |
SK 9032.1AX |
 |
 |
| SK 9032.1AF |
SK 9032.1VF |
 |
 |
a1 |
b1 |
c1 |
e1 |
f1 |
s1 |
250 |
180 |
15 |
215 |
4 |
4 x 14 |
300 |
230 |
20 |
265 |
4 |
4 x 14 |
A45 |
71 S/L |
80 S/L |
90 S/L |
100 L |
112 M |
132 S/M |
g |
145 |
165 |
183 |
201 |
228 |
266 |
g1 / g1Bre |
124 / 133 |
142 / 142 |
147 / 147 |
169 / 172 |
179 / 182 |
204 / 201 |
k1 / k1Bre |
563 / 621 |
588 / 652 |
629 / 704 |
659 / 750 |
682 / 775 |
768 / 875 |
k / kBre |
549 / 607 |
574 / 638 |
615 / 690 |
645 / 736 |
668 / 761 |
754 / 861 |
m / mBre |
36 / 43 |
41 / 45 |
46 / 50 |
52 / 56 |
68 / 72 |
71 / 51 |
n / nBre |
100 / 134 |
114 / 153 |
114 / 153 |
114 / 153 |
114 / 153 |
122 / 185 |
p / pBre |
100 / 89 |
114 / 108 |
114 / 108 |
114 / 108 |
114 / 108 |
122 / 139 |
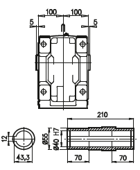
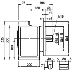
| SK 9032.1AZ |
 |
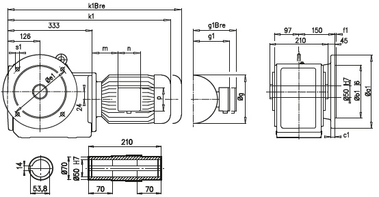
| SK 9032.1 AZD |
SK 9032.1 AZK |
 |
 |
A45 |
71 S/L |
80 S/L |
90 S/L |
100 L |
112 M |
132 S/M |
g |
145 |
165 |
183 |
201 |
228 |
266 |
g1 / g1Bre |
124 / 133 |
142 / 142 |
147 / 147 |
169 / 172 |
179 / 182 |
204 / 201 |
k1 / k1Bre |
563 / 621 |
588 / 652 |
629 / 704 |
659 / 750 |
682 / 775 |
768 / 875 |
m / mBre |
36 / 43 |
41 / 45 |
46 / 50 |
52 / 56 |
68 / 72 |
71 / 51 |
n / nBre |
100 / 134 |
114 / 153 |
114 / 153 |
114 / 153 |
114 / 153 |
122 / 185 |
p / pBre |
100 / 89 |
114 / 108 |
114 / 108 |
114 / 108 |
114 / 108 |
122 / 139 |
|
| |