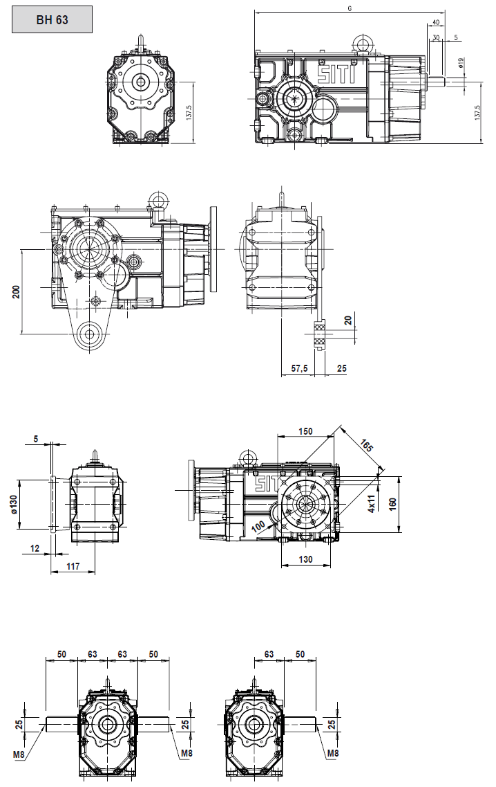
Габаритно-присоединительные размеры MBH 63

 

Назад

Габаритно-присоединительные размеры MBH 63

А
G
ВН 63
427,5
МВН63 РАМ 71
87
380
МВН63 РАМ 80
87
380
МВН63 РАМ 90
87
380
МВН63 РАМ 100
109,5
402,5
МВН63 РАМ 112
109,5
402,5
MBHGC63 GR.71
144
437
MBHGC63 GR.80
144
437
MBHGC63 GR.90
144
437
MBHGC63 GR.100
168
461
MBHGC63 GR.112
168
461

 

i
MBH
MBHGC
71
80
90
100
112
71
80
90
100
112
7,75
9,05
10.61
12,10
14.13
16,56
19,54
22,24
33,86
40,77
44,17
52,76
79,96
91,45
96,83
106,00
125,03
149,36
167,83
188,44

Назад

 
© 2014 Редукторы, мотор-редукторы, устройства плавного пуска, преобразователи частоты