Габаритно-присоединительные размеры. Конические мотор-редукторы Yilmaz серии KR773

 

Назад

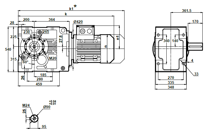
Монтажное исполнение KR773.00

Монтажное исполнение KR773.00

132S

132M

160M

160L

180M

180L

200L

225S

225M

250M

k

980.5

980.5

1076.5

1076.5

1148.5

1148.5

1194.5

1221.5

1246.5

1338.5

k1

1110.5

1110.5

1224.5

1224.5

1307

1307

1381

1386.5

1411.5

1509

n

257

257

316

316

354

354

399

438

438

481

n1

179

179

224

224

240

240

285

314

314

335

 

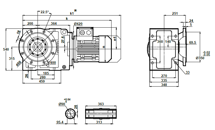
Монтажное исполнение KR773.01

Монтажное исполнение KR773.01

132S

132M

160M

160L

180M

180L

200L

225S

225M

250M

k

980.5

980.5

1076.5

1076.5

1148.5

1148.5

1194.5

1221.5

1246.5

1338.5

k1

1110.5

1110.5

1224.5

1224.5

1307

1307

1381

1386.5

1411.5

1509

n

257

257

316

316

354

354

399

438

438

481

n1

179

179

224

224

240

240

285

314

314

335

 

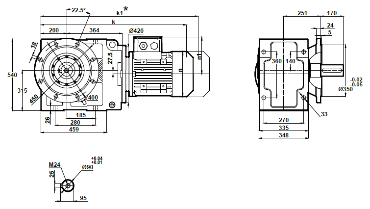
Монтажное исполнение на фланце KR773.02

Монтажное исполнение на фланце KR773.02

132S

132M

160M

160L

180M

180L

200L

225S

225M

250M

k

980.5

980.5

1076.5

1076.5

1148.5

1148.5

1194.5

1221.5

1246.5

1338.5

k1

1110.5

1110.5

1224.5

1224.5

1307

1307

1381

1386.5

1411.5

1509

n

257

257

316

316

354

354

399

438

438

481

n1

179

179

224

224

240

240

285

314

314

335

 

Монтажное исполнение на фланце KR773.03

Монтажное исполнение на фланце KR773.03

132S

132M

160M

160L

180M

180L

200L

225S

225M

250M

k

980.5

980.5

1076.5

1076.5

1148.5

1148.5

1194.5

1221.5

1246.5

1338.5

k1

1110.5

1110.5

1224.5

1224.5

1307

1307

1381

1386.5

1411.5

1509

n

257

257

316

316

354

354

399

438

438

481

n1

179

179

224

224

240

240

285

314

314

335

Назад

 
© 2014 Редукторы, мотор-редукторы, устройства плавного пуска, преобразователи частоты