Габаритно-присоединительные размеры. Конические мотор-редукторы Yilmaz серии KR283

 

Назад

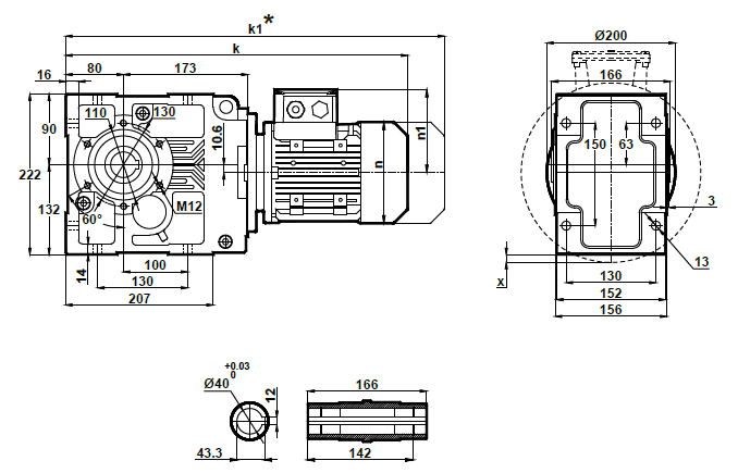
Монтажное исполнение KR283.00

Монтажное исполнение KR283.00

71

80

90S

90L

100L

112M

132S

132M

k

465

499

538

538

586

610

696.5

696.5

k1

556

592

641.5

641.5

694.5

714.5

826.5

826.5

n

137

155

176

176

193

215

257

257

n1

112

121

133

133

147

158

179

179

x

-

-

-

-

-

-

7.1

7.1

 

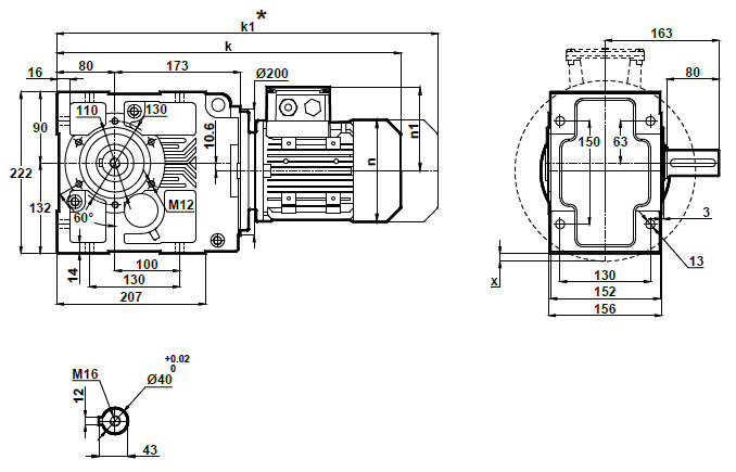
Монтажное исполнение KR283.01

Монтажное исполнение KR283.01

71

80

90S

90L

100L

112M

132S

132M

k

465

499

538

538

586

610

696.5

696.5

k1

556

592

641.5

641.5

694.5

714.5

826.5

826.5

n

137

155

176

176

193

215

257

257

n1

112

121

133

133

147

158

179

179

x

-

-

-

-

-

-

7.1

7.1

 

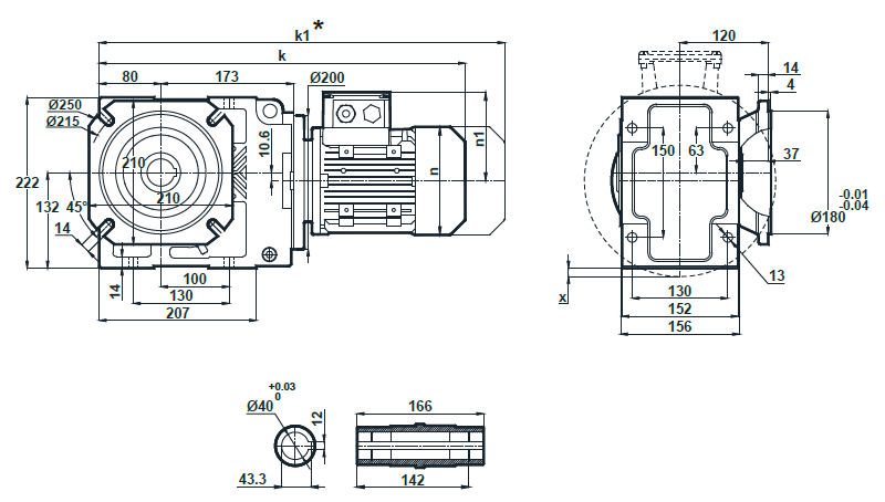
Монтажное исполнение на фланце KR283.02

Монтажное исполнение на фланце KR283.02

71

80

90S

90L

100L

112M

132S

132M

k

465

499

538

538

586

610

696.5

696.5

k1

556

592

641.5

641.5

694.5

714.5

826.5

826.5

n

137

155

176

176

193

215

257

257

n1

112

121

133

133

147

158

179

179

x

-

-

-

-

-

-

7.1

7.1

 

Монтажное исполнение на фланце KR283.03

Монтажное исполнение на фланце KR283.03

71

80

90S

90L

100L

112M

132S

132M

k

465

499

538

538

586

610

696.5

696.5

k1

556

592

641.5

641.5

694.5

714.5

826.5

826.5

n

137

155

176

176

193

215

257

257

n1

112

121

133

133

147

158

179

179

x

-

-

-

-

-

-

7.1

7.1

Назад

 
© 2014 Редукторы, мотор-редукторы, устройства плавного пуска, преобразователи частоты