Габаритно-присоединительные размеры. Конические мотор-редукторы Yilmaz серии KR202, KR203

 

Назад

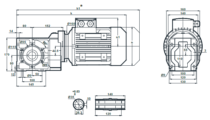
Монтажное исполнение KR202.00, KR203.00

Монтажное исполнение KR202.00, KR203.00

63

71

80

90S

90L

100L

112M

k

426

453

487

526

526

574

598

k1

487

544

580

629.5

629.5

682.5

702.5

n

121

137

155

176

176

193

215

n1

97

112

121

133

133

147

158

 

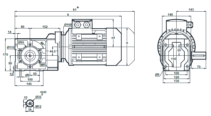
Монтажное исполнение KR202.01, KR203.01

Монтажное исполнение KR202.01, KR203.01

63

71

80

90S

90L

100L

112M

k

426

453

487

526

526

574

598

k1

487

544

580

629.5

629.5

682.5

702.5

n

121

137

155

176

176

193

215

n1

97

112

121

132

132

147

158

 

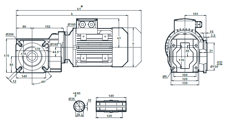
Монтажное исполнение на фланце KR202.02, KR203.02

Монтажное исполнение на фланце KR202.02, KR203.02

63

71

80

90S

90L

100L

112M

k

426

453

487

526

526

574

598

k1

487

544

580

629.5

629.5

682.5

702.5

n

121

137

155

176

176

193

215

n1

97

112

121

133

133

147

158

 

Монтажное исполнение на фланце KR202.03, KR203.03

Монтажное исполнение на фланце KR202.03, KR203.03

63

71

80

90S

90L

100L

112M

k

426

453

487

526

526

574

598

k1

487

544

580

629.5

629.5

682.5

702.5

n

121

137

155

176

176

193

215

n1

97

112

121

132

132

147

158

Назад

 
© 2014 Редукторы, мотор-редукторы, устройства плавного пуска, преобразователи частоты