|
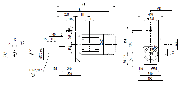
Монтажное исполнение на лапах E148

| Мотор |
E148
k |
kB |
AC |
AD |
AG |
LL |
HH |
O |
Вес
E148 |
LA132S/M |
636.5 |
738.5 |
259.0 |
195.0 |
140 |
140 |
137.0 |
2xM32x1.5 |
169 |
LA132ZM |
682.5 |
784.5 |
259.0 |
195.0 |
140 |
140 |
245.0 |
2xM32x1.5 |
190 |
LA160M/L |
736.5 |
855.0 |
313.5 |
227.0 |
165 |
165 |
160.0 |
2xM40x1.5 |
203 |
LA160ZL |
784.5 |
903 |
313.5 |
227.0 |
165 |
165 |
313.0 |
2xM40x1.5 |
242 |
LG180M/L |
796.0 |
918.0 |
348.0 |
322.5 |
260 |
192 |
177.0 |
2xM40x1.5 |
298 |
LG180ZM/ZL |
847.0 |
969.0 |
348.0 |
322.5 |
260 |
192 |
177.0 |
2xM40x1.5 |
328 |
LG200L |
852.0 |
978.0 |
385.0 |
301.0 |
260 |
192 |
207.0 |
2xM50x1.5 |
378 |
LG225S |
923.0 |
1 162.0 |
442.0 |
325.0 |
260 |
192 |
243.0 |
2xM50x1.5 |
452 |
LG225M |
923.0 |
1 162.0 |
442.0 |
325.0 |
260 |
192 |
243.0 |
2xM50x1.5 |
440 |
LG225ZM |
983.0 |
1 222.0 |
442.0 |
325.0 |
260 |
192 |
243.0 |
2xM50x1.5 |
498 |
LG250M |
1 016.5 |
1 241.5 |
495.0 |
392.0 |
300 |
236 |
278.5 |
2xM63x1.5 |
542 |
LG250ZM |
1 086.5 |
1 312.0 |
495.0 |
392.0 |
300 |
236 |
278.5 |
2xM63x1.5 |
645 |
K4-LGI280S |
1 296.0 |
1 523.0 |
555.0 |
432.0 |
300 |
236 |
490.0 |
2xM63x1.5 |
774 |
K4-LGI280M |
1 296.0 |
1 523.0 |
555.0 |
432.0 |
300 |
236 |
490.0 |
2xM63x1.5 |
785 |
K4-LGI280ZM |
1 406.0 |
1 633.0 |
555.0 |
432.0 |
300 |
236 |
490.0 |
2xM63x1.5 |
874 |
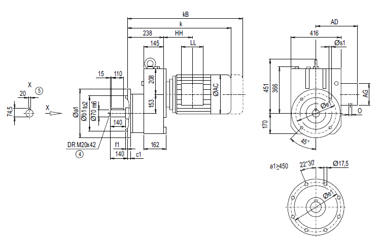
Монтажное исполнение на фланце EF148 (тип A)

Фланец |
a1 |
b1 |
to2 |
c1 |
e1 |
f1 |
s1 |
A350 |
350 |
250 |
h6 |
18 |
300 |
5 |
17.5 |
A450 |
450 |
350 |
h6 |
22 |
400 |
5 |
17.5 |
A550 |
550 |
450 |
h6 |
25 |
500 |
5 |
17.5 |
| Мотор |
EF148
k |
kB |
AC |
AD |
AG |
LL |
HH |
O |
Вес
EF148 |
LA132S/M |
636.5 |
738.5 |
259.0 |
195.0 |
140 |
140 |
137.0 |
2xM32x1.5 |
180 |
LA132ZM |
682.5 |
784.5 |
259.0 |
195.0 |
140 |
140 |
245.0 |
2xM32x1.5 |
202 |
LA160M/L |
736.5 |
855.0 |
313.5 |
227.0 |
165 |
165 |
160.0 |
2xM40x1.5 |
214 |
LA160ZL |
784.5 |
903 |
313.5 |
227.0 |
165 |
165 |
313.0 |
2xM40x1.5 |
253 |
LG180M/L |
796.0 |
918.0 |
348.0 |
322.5 |
260 |
192 |
177.0 |
2xM40x1.5 |
310 |
LG180ZM/ZL |
847.0 |
969.0 |
348.0 |
322.5 |
260 |
192 |
177.0 |
2xM40x1.5 |
340 |
LG200L |
852.0 |
978.0 |
385.0 |
301.0 |
260 |
192 |
207.0 |
2xM50x1.5 |
390 |
LG225S |
923.0 |
1 162.0 |
442.0 |
325.0 |
260 |
192 |
243.0 |
2xM50x1.5 |
464 |
LG225M |
923.0 |
1 162.0 |
442.0 |
325.0 |
260 |
192 |
243.0 |
2xM50x1.5 |
452 |
LG225ZM |
983.0 |
1 222.0 |
442.0 |
325.0 |
260 |
192 |
243.0 |
2xM50x1.5 |
510 |
LG250M |
1 016.5 |
1 241.5 |
495.0 |
392.0 |
300 |
236 |
278.5 |
2xM63x1.5 |
554 |
LG250ZM |
1 086.5 |
1 312.0 |
495.0 |
392.0 |
300 |
236 |
278.5 |
2xM63x1.5 |
657 |
K4-LGI280S |
1 296.0 |
1 523.0 |
555.0 |
432.0 |
300 |
236 |
490.0 |
2xM63x1.5 |
786 |
K4-LGI280M |
1 296.0 |
1 523.0 |
555.0 |
432.0 |
300 |
236 |
490.0 |
2xM63x1.5 |
797 |
K4-LGI280ZM |
1 406.0 |
1 633.0 |
555.0 |
432.0 |
300 |
236 |
490.0 |
2xM63x1.5 |
886 |
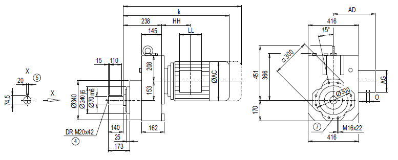
Монтажное исполнение с фланцевым корпусом (тип C) EZ148

| Мотор |
EZ148
k |
kB |
AC |
AD |
AG |
LL |
HH |
O |
Вес
EZ148 |
LA132S/M |
636.5 |
738.5 |
259.0 |
195.0 |
140 |
140 |
137.0 |
2xM32x1.5 |
154 |
LA132ZM |
682.5 |
784.5 |
259.0 |
195.0 |
140 |
140 |
245.0 |
2xM32x1.5 |
175 |
LA160M/L |
736.5 |
855.0 |
313.5 |
227.0 |
165 |
165 |
160.0 |
2xM40x1.5 |
188 |
LA160ZL |
784.5 |
903 |
313.5 |
227.0 |
165 |
165 |
313.0 |
2xM40x1.5 |
227 |
LG180M/L |
796.0 |
918.0 |
348.0 |
322.5 |
260 |
192 |
177.0 |
2xM40x1.5 |
283 |
LG180ZM/ZL |
847.0 |
969.0 |
348.0 |
322.5 |
260 |
192 |
177.0 |
2xM40x1.5 |
313 |
LG200L |
852.0 |
978.0 |
385.0 |
301.0 |
260 |
192 |
207.0 |
2xM50x1.5 |
363 |
LG225S |
923.0 |
1 162.0 |
442.0 |
325.0 |
260 |
192 |
243.0 |
2xM50x1.5 |
437 |
LG225M |
923.0 |
1 162.0 |
442.0 |
325.0 |
260 |
192 |
243.0 |
2xM50x1.5 |
425 |
LG225ZM |
983.0 |
1 222.0 |
442.0 |
325.0 |
260 |
192 |
243.0 |
2xM50x1.5 |
483 |
LG250M |
1 016.5 |
1 241.0 |
495.0 |
392.0 |
300 |
236 |
278.5 |
2xM63x1.5 |
527 |
LG250ZM |
1 086.5 |
1 312.0 |
495.0 |
392.0 |
300 |
236 |
278.5 |
2xM63x1.5 |
630 |
K4-LGI280S |
1 296.0 |
1 523.0 |
555.0 |
432.0 |
300 |
236 |
490.0 |
2xM63x1.5 |
759 |
K4-LGI280M |
1 296.0 |
1 523.0 |
555.0 |
432.0 |
300 |
236 |
490.0 |
2xM63x1.5 |
770 |
K4-LGI280ZM |
1 406.0 |
1 633.0 |
555.0 |
432.0 |
300 |
236 |
490.0 |
2xM63x1.5 |
859 |
|