Габаритно-присоединительные размеры. Одноступенчатый цилиндрический мотор-редуктор Motox E128 Flender

 

Назад

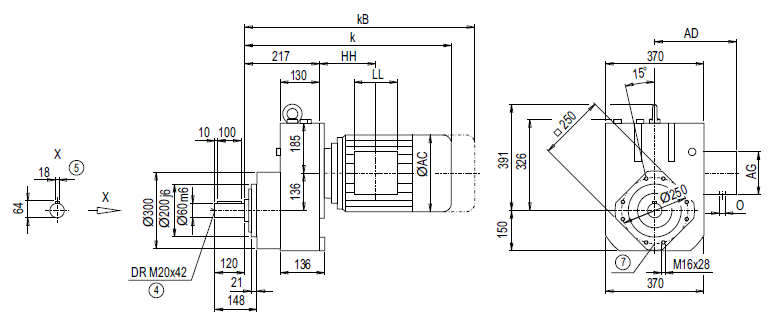
Монтажное исполнение на лапах E128

Монтажное исполнение на лапах E128

Мотор

E128

k


kB


AC


AD


AG


LL


HH


O

Вес

E128

LA100L

539.0

620.0

195.0

168.0

120

120

104.0

2xM32x1.5

121

LA100ZL

609.0

690.0

195.0

168.0

120

120

236.0

2xM32x1.5

131

LA112M

564.5

645.5

219.0

181.0

120

120

105.5

2xM32x1.5

132

LA112ZM

592.5

673.5

219.0

181.0

120

120

209.5

2xM32x1.5

139

LA132S/M

623.5

725.5

259.0

195.0

140

140

145.0

2xM32x1.5

142

LA132ZM

669.5

771.5

259.0

195.0

140

140

253.0

2xM32x1.5

163

LA160M/L

723.0

841.5

313.5

227.0

165

165

167.5

2xM40x1.5

181

LA160ZL

771.0

889.5

313.5

227.0

165

165

320.5

2xM40x1.5

220

LG180M/L

782.5

904.5

348.0

322.5

260

192

184.5

2xM40x1.5

272

LG180ZM/ZL

833.5

955.5

348.0

322.5

260

192

184.5

2xM40x1.5

302

LG200L

838.5

964.5

385.0

301.0

260

192

214.5

2xM50x1.5

352

LG225S

909.5

1 148.5

442.0

325.0

260

192

250.5

2xM50x1.5

428

LG225M

909.5

1 148.5

442.0

325.0

260

192

250.5

2xM50x1.5

416

LG225ZM

969.5

1 208.5

442.0

325.0

260

192

250.5

2xM50x1.5

474

K4-LGI250M

1 197.0

1 422.0

495.0

392.0

300

236

470.0

2xM63x1.5

596

K4-LGI250ZM

1 267.0

1 492.0

495.0

392.0

300

236

470.0

2xM63x1.5

699

 

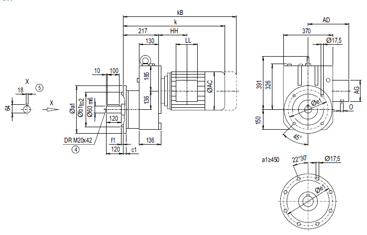
Монтажное исполнение на фланце EF128 (тип A)

Монтажное исполнение на фланце EF128 (тип A)

Фланец

a1

b1

to2

c1

e1

f1

s1

A350

350

250

h6

18

300

5

17.5

A450

450

350

h6

20

400

5

17.5

 

Мотор

EF128

k


kB


AC


AD


AG


LL


HH


O

Вес

EF128

LA100L

539.0

620.0

195.0

168.0

120

120

104.0

2xM32x1.5

125

LA100ZL

609.0

690.0

195.0

168.0

120

120

236.0

2xM32x1.5

135

LA112M

564.5

645.5

219.0

181.0

120

120

105.5

2xM32x1.5

137

LA112ZM

592.5

673.5

219.0

181.0

120

120

209.5

2xM32x1.5

144

LA132S/M

623.5

725.5

259.0

195.0

140

140

145.0

2xM32x1.5

146

LA132ZM

669.5

771.5

259.0

195.0

140

140

253.0

2xM32x1.5

167

LA160M/L

723.0

841.5

313.5

227.0

165

165

167.5

2xM40x1.5

185

LA160ZL

771.0

889.5

313.5

227.0

165

165

320.5

2xM40x1.5

224

LG180M/L

782.5

904.5

348.0

322.5

260

192

184.5

2xM40x1.5

276

LG180ZM/ZL

833.5

955.5

348.0

322.5

260

192

184.5

2xM40x1.5

306

LG200L

838.5

964.5

385.0

301.0

260

192

214.5

2xM50x1.5

356

LG225S

909.5

1 148.5

442.0

325.0

260

192

250.5

2xM50x1.5

432

LG225M

909.5

1 148.5

442.0

325.0

260

192

250.5

2xM50x1.5

420

LG225ZM

969.5

1 208.5

442.0

325.0

260

192

250.5

2xM50x1.5

478

K4-LGI250M

1 197.0

1 422.0

495.0

392.0

300

236

470.0

2xM63x1.5

600

K4-LGI250ZM

1 267.0

1 492.0

495.0

392.0

300

236

470.0

2xM63x1.5

703

 

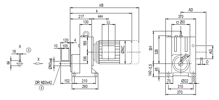
Монтажное исполнение с фланцевым корпусом (тип C) EZ128

Монтажное исполнение с фланцевым корпусом (тип C) EZ108

Мотор

EZ128

k


kB


AC


AD


AG


LL


HH


O

Вес

EZ128

LA100L

539.0

620.0

195.0

168.0

120

120

104.0

2xM32x1.5

108

LA100ZL

609.0

690.0

195.0

168.0

120

120

236.0

2xM32x1.5

118

LA112M

564.5

645.5

219.0

181.0

120

120

105.5

2xM32x1.5

119

LA112ZM

592.5

673.5

219.0

181.0

120

120

209.5

2xM32x1.5

126

LA132S/M

623.5

725.5

259.0

195.0

140

140

145.0

2xM32x1.5

129

LA132ZM

669.5

771.5

259.0

195.0

140

140

253.0

2xM32x1.5

150

LA160M/L

723.0

841.5

313.5

227.0

165

165

167.5

2xM40x1.5

168

LA160ZL

771.0

889.5

313.5

227.0

165

165

320.5

2xM40x1.5

207

LG180M/L

782.5

904.5

348.0

322.5

260

192

184.5

2xM40x1.5

259

LG180ZM/ZL

833.5

955.5

348.0

322.5

260

192

184.5

2xM40x1.5

289

LG200L

838.5

964.5

385.0

301.0

260

192

214.5

2xM50x1.5

339

LG225S

909.5

1 148.5

442.0

325.0

260

192

250.5

2xM50x1.5

415

LG225M

909.5

1 148.5

442.0

325.0

260

192

250.5

2xM50x1.5

403

LG225ZM

969.5

1 208.5

442.0

325.0

260

192

250.5

2xM50x1.5

461

K4-LGI250M

1 197.0

1 422.0

495.0

392.0

300

236

470.0

2xM63x1.5

583

K4-LGI250ZM

1 267.0

1 492.0

495.0

392.0

300

236

470.0

2xM63x1.5

686

Назад

 
© 2014 Редукторы, мотор-редукторы, устройства плавного пуска, преобразователи частоты