|
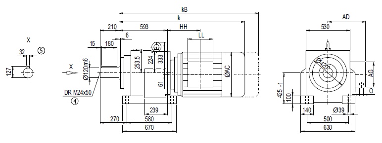
Монтажное исполнение на лапах D188, Z188

| Мотор |
Z188
k |
kB |
D188
k |
kB |
AC |
AD |
AG |
LL |
Z188
HH |
D188
HH |
O |
Вес
Z188 D188 |
LA132S/M |
– |
– |
977.0 |
1 079.0 |
259.0 |
195.0 |
140 |
140 |
– |
122.5 |
2xM32x1.5 |
– |
652 |
LA132ZM |
– |
– |
1 023.0 |
1 125.0 |
259.0 |
195.0 |
140 |
140 |
– |
230.5 |
2xM32x1.5 |
– |
673 |
LA160M/L |
1 077.0 |
1 195.5 |
1 077.0 |
1 195.5 |
313.5 |
227.0 |
165 |
165 |
145.5 |
145.5 |
2xM40x1.5 |
654 |
684 |
LA160ZL |
1 125.0 |
1 243.5 |
1 125.0 |
1 243.5 |
313.5 |
227.0 |
165 |
165 |
298.5 |
298.5 |
2xM40x1.5 |
693 |
723 |
LG180M/L |
1 136.5 |
1 258.5 |
1 136.5 |
1 258.5 |
348.0 |
322.5 |
260 |
192 |
162.5 |
162.5 |
2xM40x1.5 |
750 |
779 |
LG180ZM/ZL |
1 187.5 |
1 309.5 |
1 187.5 |
1 309.5 |
348.0 |
322.5 |
260 |
192 |
162.5 |
162.5 |
2xM40x1.5 |
780 |
809 |
LG200L |
1 192.5 |
1 318.5 |
1 192.5 |
1 318.5 |
385.0 |
301.0 |
260 |
192 |
192.5 |
192.5 |
2xM50x1.5 |
830 |
859 |
LG225S |
1 263.5 |
1 502.5 |
1 263.5 |
1 502.5 |
442.0 |
325.0 |
260 |
192 |
228.5 |
228.5 |
2xM50x1.5 |
903 |
932 |
LG225M |
1 263.5 |
1 502.5 |
1 263.5 |
1 502.5 |
442.0 |
325.0 |
260 |
192 |
228.5 |
228.5 |
2xM50x1.5 |
891 |
920 |
LG225ZM |
1 323.5 |
1 562.5 |
1 323.5 |
1 562.5 |
442.0 |
325.0 |
260 |
192 |
228.5 |
228.5 |
2xM50x1.5 |
949 |
978 |
LG250M |
1 357.0 |
1 582.0 |
1 357.0 |
1 582.0 |
495.0 |
392.0 |
300 |
236 |
264.0 |
264.0 |
2xM63x1.5 |
993 |
1022 |
LG250ZM |
1 427.0 |
1 652.5 |
1 427.0 |
1 652.5 |
495.0 |
392.0 |
300 |
236 |
264.0 |
264.0 |
2xM63x1.5 |
1 096 |
1 125 |
K4-LGI280S |
1 636.5 |
1 863.5 |
1 636.5 |
1 863.5 |
555.0 |
432.0 |
300 |
236 |
475.5 |
475.5 |
2xM63x1.5 |
1 121 |
1 151 |
K4-LGI280M |
1 636.5 |
1 863.5 |
1 636.5 |
1 863.5 |
555.0 |
432.0 |
300 |
236 |
475.5 |
475.5 |
2xM63x1.5 |
1 227 |
1 256 |
K4-LGI280ZM |
1 746.5 |
1 973.5 |
1 746.5 |
1 973.5 |
555.0 |
432.0 |
300 |
236 |
475.5 |
475.5 |
2xM63x1.5 |
1 315 |
1 344 |
K2-LGI315S/M |
1 824.5 |
2 089.5 |
– |
– |
610.0 |
500.0 |
380 |
307 |
584.5 |
– |
2xM63x1.5 |
1 356 |
– |
K2-LGI315ZM |
1 984.5 |
2 249.5 |
– |
– |
610.0 |
500.0 |
380 |
307 |
584.5 |
– |
2xM63x1.5 |
1 511 |
– |
K2-LGI315L |
1 984.5 |
2 249.5 |
– |
– |
610.0 |
500.0 |
380 |
307 |
584.5 |
– |
2xM63x1.5 |
1 651 |
– |
K2-LGI315ZL |
2 124.5 |
2 389.5 |
– |
– |
610.0 |
500.0 |
380 |
307 |
584.5 |
– |
2xM63x1.5 |
1 851 |
– |
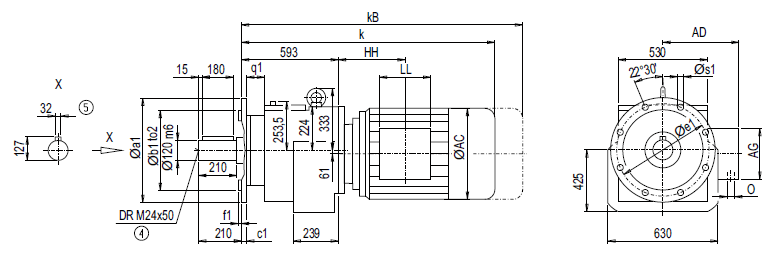
Монтажное исполнение на фланце DF/ZF188 (тип A)

| Фланец |
a1 |
b1 |
to2 |
c1 |
e1 |
f1 |
q1 |
s1 |
A550 |
550 |
450 |
h6 |
31 |
500 |
5 |
83 |
17.5 |
A660 |
660 |
550 |
h6 |
31 |
600 |
6 |
83 |
22.0 |
| Мотор |
ZF188
k |
kB |
DF188
k |
kB |
AC |
AD |
AG |
LL |
ZF188
HH |
DF188
HH |
O |
Вес
ZF188 DF188 |
LA132S/M |
– |
– |
977.0 |
1 079.0 |
259.0 |
195.0 |
140 |
140 |
– |
122.5 |
2xM32x1.5 |
– |
600 |
LA132ZM |
– |
– |
1 023.0 |
1 125.0 |
259.0 |
195.0 |
140 |
140 |
– |
230.5 |
2xM32x1.5 |
– |
609 |
LA160M/L |
1 077.0 |
1 195.5 |
1 077.0 |
1 195.5 |
313.5 |
227.0 |
165 |
165 |
145.5 |
145.5 |
2xM40x1.5 |
602 |
632 |
LA160ZL |
1 125.0 |
1 243.5 |
1 125.0 |
1 243.5 |
313.5 |
227.0 |
165 |
165 |
298.5 |
298.5 |
2xM40x1.5 |
602 |
632 |
LG180M/L |
1 136.5 |
1 258.5 |
1 136.5 |
1 258.5 |
348.0 |
322.5 |
260 |
192 |
162.5 |
162.5 |
2xM40x1.5 |
698 |
727 |
LG180ZM/ZL |
1 187.5 |
1 309.5 |
1 187.5 |
1 309.5 |
348.0 |
322.5 |
260 |
192 |
162.5 |
162.5 |
2xM40x1.5 |
728 |
757 |
LG200L |
1 192.5 |
1 318.5 |
1 192.5 |
1 318.5 |
385.0 |
301.0 |
260 |
192 |
192.5 |
192.5 |
2xM50x1.5 |
778 |
807 |
LG225S |
1 263.5 |
1 502.5 |
1 263.5 |
1 502.5 |
442.0 |
325.0 |
260 |
192 |
228.5 |
228.5 |
2xM50x1.5 |
851 |
880 |
LG225M |
1 263.5 |
1 502.5 |
1 263.5 |
1 502.5 |
442.0 |
325.0 |
260 |
192 |
228.5 |
228.5 |
2xM50x1.5 |
839 |
868 |
LG225ZM |
1 323.5 |
1 562.5 |
1 323.5 |
1 562.5 |
442.0 |
325.0 |
260 |
192 |
228.5 |
228.5 |
2xM50x1.5 |
897 |
926 |
LG250M |
1 357.0 |
1 582.0 |
1 357.0 |
1 582.0 |
495.0 |
392.0 |
300 |
236 |
264.0 |
264.0 |
2xM63x1.5 |
941 |
970 |
LG250ZM |
1 427.0 |
1 652.5 |
1 427.0 |
1 652.5 |
495.0 |
392.0 |
300 |
236 |
264.0 |
264.0 |
2xM63x1.5 |
1 044 |
1 073 |
K4-LGI280S |
1 636.5 |
1 863.5 |
1 636.5 |
1 863.5 |
555.0 |
432.0 |
300 |
236 |
475.5 |
475.5 |
2xM63x1.5 |
1 069 |
1 099 |
K4-LGI280M |
1 636.5 |
1 863.5 |
1 636.5 |
1 863.5 |
555.0 |
432.0 |
300 |
236 |
475.5 |
475.5 |
2xM63x1.5 |
1 175 |
1 204 |
K4-LGI280ZM |
1 746.5 |
1 973.5 |
1 746.5 |
1 973.5 |
555.0 |
432.0 |
300 |
236 |
475.5 |
475.5 |
2xM63x1.5 |
1 263 |
1 292 |
K2-LGI315S/M |
1 824.5 |
2 089.5 |
– |
– |
610.0 |
500.0 |
380 |
307 |
584.5 |
– |
2xM63x1.5 |
1 304 |
– |
K2-LGI315ZM |
1 984.5 |
2 249.5 |
– |
– |
610.0 |
500.0 |
380 |
307 |
584.5 |
– |
2xM63x1.5 |
1 459 |
– |
K2-LGI315L |
1 984.5 |
2 249.5 |
– |
– |
610.0 |
500.0 |
380 |
307 |
584.5 |
– |
2xM63x1.5 |
1 599 |
– |
K2-LGI315ZL |
2 124.5 |
2 389.5 |
– |
– |
610.0 |
500.0 |
380 |
307 |
584.5 |
– |
2xM63x1.5 |
1 801 |
– |
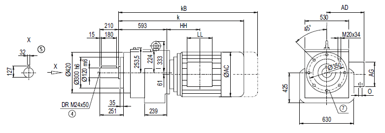
Монтажное исполнение на фланце DZ/ZZ188 (тип С)

| Мотор |
ZZ188
k |
kB |
DZ188
k |
kB |
AC |
AD |
AG |
LL |
ZZ188
HH |
DZ188
HH |
O |
Вес
ZZ188 DZ188 |
LA132S/M |
– |
– |
977.0 |
1 079.0 |
259.0 |
195.0 |
140 |
140 |
– |
122.5 |
2xM32x1.5 |
– |
580 |
LA132ZM |
– |
– |
1 023.0 |
1 125.0 |
259.0 |
195.0 |
140 |
140 |
– |
230.5 |
2xM32x1.5 |
– |
589 |
LA160M/L |
1 077.0 |
1 195.5 |
1 077.0 |
1 195.5 |
313.5 |
227.0 |
165 |
165 |
145.5 |
145.5 |
2xM40x1.5 |
582 |
612 |
LA160ZL |
1 125.0 |
1 243.5 |
1 125.0 |
1 243.5 |
313.5 |
227.0 |
165 |
165 |
298.5 |
298.5 |
2xM40x1.5 |
582 |
612 |
LG180M/L |
1 136.5 |
1 258.5 |
1 136.5 |
1 258.5 |
348.0 |
322.5 |
260 |
192 |
162.5 |
162.5 |
2xM40x1.5 |
678 |
707 |
LG180ZM/ZL |
1 187.5 |
1 309.5 |
1 187.5 |
1 309.5 |
348.0 |
322.5 |
260 |
192 |
162.5 |
162.5 |
2xM40x1.5 |
708 |
737 |
LG200L |
1 192.5 |
1 318.5 |
1 192.5 |
1 318.5 |
385.0 |
301.0 |
260 |
192 |
192.5 |
192.5 |
2xM50x1.5 |
758 |
787 |
LG225S |
1 263.5 |
1 502.5 |
1 263.5 |
1 502.5 |
442.0 |
325.0 |
260 |
192 |
228.5 |
228.5 |
2xM50x1.5 |
831 |
860 |
LG225M |
1 263.5 |
1 502.5 |
1 263.5 |
1 502.5 |
442.0 |
325.0 |
260 |
192 |
228.5 |
228.5 |
2xM50x1.5 |
819 |
848 |
LG225ZM |
1 323.5 |
1 562.5 |
1 323.5 |
1 562.5 |
442.0 |
325.0 |
260 |
192 |
228.5 |
228.5 |
2xM50x1.5 |
877 |
906 |
LG250M |
1 357.0 |
1 582.0 |
1 357.0 |
1 582.0 |
495.0 |
392.0 |
300 |
236 |
264.0 |
264.0 |
2xM63x1.5 |
921 |
950 |
LG250ZM |
1 427.0 |
1 652.5 |
1 427.0 |
1 652.5 |
495.0 |
392.0 |
300 |
236 |
264.0 |
264.0 |
2xM63x1.5 |
1 024 |
1 053 |
K4-LGI280S |
1 636.5 |
1 863.5 |
1 636.5 |
1 863.5 |
555.0 |
432.0 |
300 |
236 |
475.5 |
475.5 |
2xM63x1.5 |
1 049 |
1 079 |
K4-LGI280M |
1 636.5 |
1 863.5 |
1 636.5 |
1 863.5 |
555.0 |
432.0 |
300 |
236 |
475.5 |
475.5 |
2xM63x1.5 |
1 155 |
1 184 |
K4-LGI280ZM |
1 746.5 |
1 973.5 |
1 746.5 |
1 973.5 |
555.0 |
432.0 |
300 |
236 |
475.5 |
475.5 |
2xM63x1.5 |
1 243 |
1 272 |
K2-LGI315S/M |
1 824.5 |
2 089.5 |
– |
– |
610.0 |
500.0 |
380 |
307 |
584.5 |
– |
2xM63x1.5 |
1 284 |
– |
K2-LGI315ZM |
1 984.5 |
2 249.5 |
– |
– |
610.0 |
500.0 |
380 |
307 |
584.5 |
– |
2xM63x1.5 |
1 511 |
– |
K2-LGI315L |
1 984.5 |
2 249.5 |
– |
– |
610.0 |
500.0 |
380 |
307 |
584.5 |
– |
2xM63x1.5 |
1 651 |
– |
K2-LGI315ZL |
2 124.5 |
2 389.5 |
– |
– |
610.0 |
500.0 |
380 |
307 |
584.5 |
– |
2xM63x1.5 |
1 851 |
– |
|