Габаритно-присоединительные размеры. Цилиндрические двух и трехступенчатые мотор-редукторы Motox D108, Z108 Flender

 

Назад

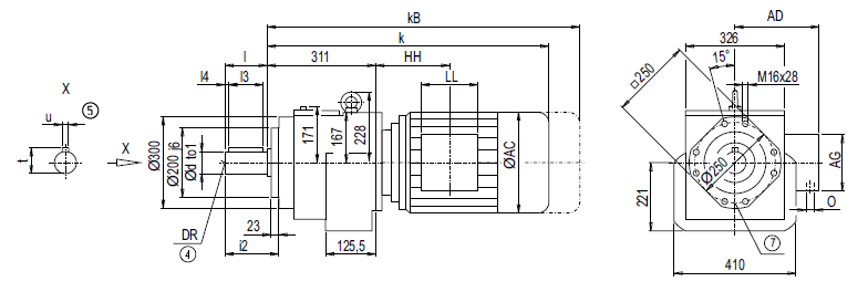
Монтажное исполнение на лапах D108, Z108

Монтажное исполнение на лапах D108, Z108

d

to1

l

l4

l3

t

u

i

DR

60 *)

m6

120

10

100

64.0

18

159.5

M20x42

70

m6

140

15

110

74.5

20

179.5

M20x42

 

Мотор

Z108

k


kB

D108

k


kB


AC


AD


AG


LL

Z108

HH

D108

HH


O

Вес

Z108 D108

LA80

599.0

662.5

156.5

155.0

90

90

106.5

M20x1.5/M25x1.5

130

LA80Z

621.5

685.0

156.5

155.0

90

90

179.5

M20x1.5/M25x1.5

134

LA90S/L

599.5

670.5

630.0

701.0

174.0

163.0

90

90

76.0

106.5

M20x1.5/M25x1.5

133

135

LA90ZL

644.5

715.5

675.0

746.0

174.0

163.0

90

90

200.0

230.5

M20x1.5/M25x1.5

139

141

LA100L

642.5

723.5

676.0

757.0

195.0

168.0

120

120

113.5

147.0

2xM32x1.5

141

144

LA100ZL

712.5

793.5

746.0

827.0

195.0

168.0

120

120

245.5

279.0

2xM32x1.5

151

154

LA112M

669.0

750.0

700.5

781.5

219.0

181.0

120

120

116.0

147.5

2xM32x1.5

152

156

LA112ZM

697.0

778.0

728.5

809.5

219.0

181.0

120

120

220.0

251.5

2xM32x1.5

159

163

LA132S/M

728.0

830.0

760.5

862.5

259.0

195.0

140

140

155.5

188.0

2xM32x1.5

163

168

LA132ZM

774.0

876.0

806.5

908.5

259.0

195.0

140

140

263.5

296.0

2xM32x1.5

184

189

LA160M/L

833.5

952.0

863.0

981.5

313.5

227.0

165

165

184.0

213.5

2xM40x1.5

198

205

LA160ZL

881.5

1 000.0

911.0

1 029.5

313.5

227.0

165

165

337.0

366.5

2xM40x1.5

237

244

LG180M/L

890.0

1 012.0

348.0

322.5

260

192

198.0

2xM40x1.5

294

LG180ZM/ZL

941.0

1 063.0

348.0

322.5

260

192

198.0

2xM40x1.5

324

LG200L

946.0

1 072.0

385.0

301.0

260

192

228.0

2xM50x1.5

374

K4-LGI225S

1 206.5

1 445.5

442.0

325.0

260

192

443.0

2xM50x1.5

530

K4-LGI225M

1 206.5

1 445.5

442.0

325.0

260

192

443.0

2xM50x1.5

518

K4-LGI225ZM

1 266.5

1 505.5

442.0

325.0

260

192

443.0

2xM50x1.5

576

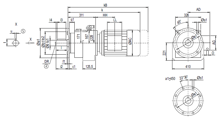
Монтажное исполнение на фланце DF/ZF108 (тип A)

Монтажное исполнение на фланце DF/ZF108 (тип A)

Фланец

a1

b1

to2

c1

e1

f1

q1

s1

d

to1

l

l4

l3

t

u

i2

DR

A350

350

250

h6

18

300

5

41

17.5

60 *)

m6

120

10

100

64.0

18

120

M20x42

70

m6

140

15

110

74.5

20

140

M20x42

A450

450

350

h6

20

400

5

39

17.5

60 *)

m6

120

10

100

64.0

18

120

M20x42

70

m6

140

15

110

74.5

20

140

M20x42

 

Мотор

ZF108

k


kB

DF108

k


kB


AC


AD


AG


LL

ZF108

HH

DF108

HH


O

Вес

ZF108 DF108

LA80

599.0

662.5

156.5

155.0

90

90

106.5

M20x1.5/M25x1.5

129

LA80Z

621.5

685.0

156.5

155.0

90

90

179.5

M20x1.5/M25x1.5

133

LA90S/L

599.5

670.5

630.0

701.0

174.0

163.0

90

90

76.0

106.5

M20x1.5/M25x1.5

131

134

LA90ZL

644.5

715.5

675.0

746.0

174.0

163.0

90

90

200.0

230.5

M20x1.5/M25x1.5

137

140

LA100L

642.5

723.5

676.0

757.0

195.0

168.0

120

120

113.5

147.0

2xM32x1.5

139

143

LA100ZL

712.5

793.5

746.0

827.0

195.0

168.0

120

120

245.5

279.0

2xM32x1.5

149

153

LA112M

669.0

750.0

700.5

781.5

219.0

181.0

120

120

116.0

147.5

2xM32x1.5

151

155

LA112ZM

697.0

778.0

728.5

809.5

219.0

181.0

120

120

220.0

251.5

2xM32x1.5

158

162

LA132S/M

728.0

830.0

760.5

862.5

259.0

195.0

140

140

155.5

188.0

2xM32x1.5

162

167

LA132ZM

774.0

876.0

806.5

908.5

259.0

195.0

140

140

263.5

296.0

2xM32x1.5

183

188

LA160M/L

833.5

952.0

863.0

981.5

313.5

227.0

165

165

184.0

213.5

2xM40x1.5

196

204

LA160ZL

881.5

1 000.0

911.0

1 029.5

313.5

227.0

165

165

337.0

366.5

2xM40x1.5

235

243

LG180M/L

890.0

1 012.0

348.0

322.5

260

192

198.0

2xM40x1.5

293

LG180ZM/ZL

941.0

1 063.0

348.0

322.5

260

192

198.0

2xM40x1.5

323

LG200L

946.0

1 072.0

385.0

301.0

260

192

228.0

2xM50x1.5

373

K4-LGI225S

1 206.5

1 445.5

442.0

325.0

260

192

443.0

2xM50x1.5

529

K4-LGI225M

1 206.5

1 445.5

442.0

325.0

260

192

443.0

2xM50x1.5

517

K4-LGI225ZM

1 266.5

1 505.5

442.0

325.0

260

192

443.0

2xM50x1.5

575

 

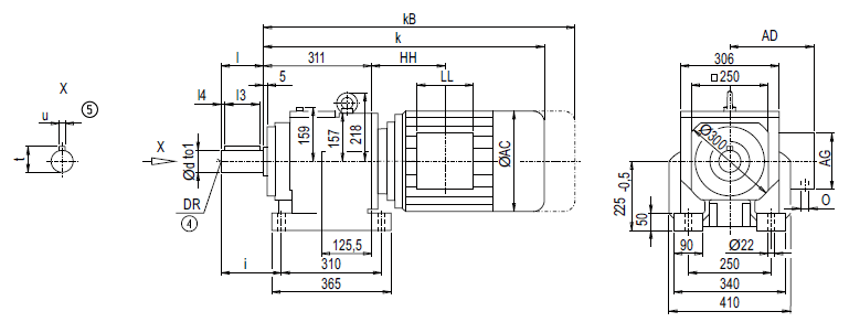
Монтажное исполнение на фланце DZ/ZZ108 (тип С)

Монтажное исполнение на фланце DZ/ZZ108 (тип С)

d

to1

l

l4

l3

t

u

i2

DR

60 *)

m6

120

10

100

64.0

18

148

M20x42

70

m6

140

15

110

74.5

20

168

M20x42

 

Мотор

ZZ108

k


kB

DZ108

k


kB


AC


AD


AG


LL

ZZ108

HH

DZ108

HH


O

Вес

ZZ108 DZ108

LA80

599.0

662.5

156.5

155.0

90

90

106.5

M20x1.5/M25x1.5

121

LA80Z

621.5

685.0

156.5

155.0

90

90

179.5

M20x1.5/M25x1.5

125

LA90S/L

599.5

670.5

630.0

701.0

174.0

163.0

90

90

76.0

106.5

M20x1.5/M25x1.5

124

126

LA90ZL

644.5

715.5

675.0

746.0

174.0

163.0

90

90

200.0

230.5

M20x1.5/M25x1.5

130

132

LA100L

642.5

723.5

676.0

757.0

195.0

168.0

120

120

113.5

147.0

2xM32x1.5

132

135

LA100ZL

712.5

793.5

746.0

827.0

195.0

168.0

120

120

245.5

279.0

2xM32x1.5

142

145

LA112M

669.0

750.0

700.5

781.5

219.0

181.0

120

120

116.0

147.5

2xM32x1.5

144

147

LA112ZM

697.0

778.0

728.5

809.5

219.0

181.0

120

120

220.0

251.5

2xM32x1.5

151

154

LA132S/M

728.0

830.0

760.5

862.5

259.0

195.0

140

140

155.5

188.0

2xM32x1.5

154

159

LA132ZM

774.0

876.0

806.5

908.5

259.0

195.0

140

140

263.5

296.0

2xM32x1.5

175

180

LA160M/L

833.5

952.0

863.0

981.5

313.5

227.0

165

165

184.0

213.5

2xM40x1.5

189

196

LA160ZL

881.5

1 000.0

911.0

1 029.5

313.5

227.0

165

165

337.0

366.5

2xM40x1.5

228

235

LG180M/L

890.0

1 012.0

348.0

322.5

260

192

198.0

2xM40x1.5

285

LG180ZM/ZL

941.0

1 063.0

348.0

322.5

260

192

198.0

2xM40x1.5

315

LG200L

946.0

1 072.0

385.0

301.0

260

192

228.0

2xM50x1.5

365

K4-LGI225S

1 206.5

1 445.5

442.0

325.0

260

192

443.0

2xM50x1.5

521

K4-LGI225M

1 206.5

1 445.5

442.0

325.0

260

192

443.0

2xM50x1.5

509

K4-LGI225ZM

1 266.5

1 505.5

442.0

325.0

260

192

443.0

2xM50x1.5

567

Назад

 
© 2014 Редукторы, мотор-редукторы, устройства плавного пуска, преобразователи частоты