
Размеры выходного вала цилиндро-конических мотор-редукторов Bonfiglioli |
| |
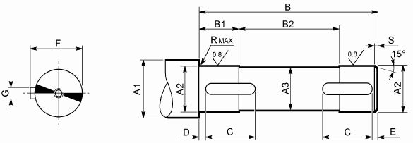
A 05 сплошной выходной вал
36 - ВАЛ ПРИВОДИМОГО МЕХАНИЗМА UH
 |
|
A1 |
A2 |
A3 |
B |
B1 |
B2 |
C |
D |
E |
F |
G |
R |
S |
UNI 6604 |
A 05 |
≥ 30 |
25 h7 |
24 |
102 |
21 |
62 |
20 |
2 |
2 |
28 |
8 h9 |
0.5 |
1.5 |
8x7x20 A |
A 10 |
≥ 35
≥ 30 |
30 h7
25 h7 |
29
24 |
118
118 |
16
16 |
87
87 |
20
20 |
2
2 |
2
2 |
33
28 |
8 h9
8 h9 |
0.5
0.5 |
1.5
1.5 |
8x7x20 A
8x7x20 A |
A 20 |
≥ 42
≥ 35 |
35 h7
30 h7 |
34
29 |
138
138 |
20
20 |
98
98 |
20
25 |
2
2 |
2
2 |
38
33 |
10 h9
8 h9 |
0.5
0.5 |
1.5
1.5 |
10x8x20 A
8x7x25 A |
A 30 |
≥ 47
≥ 42 |
40 h7
35 h7 |
39
34 |
158
158 |
23
23 |
112
112 |
30
30 |
2
2 |
2
2 |
43
38 |
12 h9
10 h9 |
0.5
0.5 |
1.5
1.5 |
12x8x30 A
10x8x30 A |
A 35 |
≥ 47
≥ 42 |
40 h7
35 h7 |
39
34 |
175
175 |
33
33 |
109
109 |
40
40 |
2
2 |
2
2 |
43
38 |
10 h9
10 h9 |
1
1 |
1.5
1.5 |
12x8x40 A
10x8x40 A |
A 41 |
≥ 52
≥ 47 |
45 h7
40 h7 |
44
39 |
184
184 |
28
28 |
128
128 |
45
50 |
2.5
2.5 |
2.5
2.5 |
49.5
43 |
14 h9
12 h9 |
1
1 |
2
2 |
14x9x45 A
12x8x50 A |
A 50 |
≥ 63
≥ 57 |
55 h7
50 h7 |
54
49 |
226
226 |
37.5
37.5 |
151
151 |
55
65 |
2.5
2.5 |
2.5
2.5 |
59
53.5 |
16 h9
14 h9 |
1
1 |
2
2 |
16x10x55 A
14x9x65 A |
A 55 |
≥ 70
≥ 60 |
60 h7
50 h7 |
59
49 |
226
226 |
37.5
37.5 |
151
151 |
65
75 |
2.5
2.5 |
2.5
2.5 |
59
53.5 |
16 h9
14 h9 |
2
2 |
2
2 |
18x11x65 A
14x9x75 A |
A 60 |
≥ 78
≥ 68 |
70 h7
60 h7 |
69
59 |
248
248 |
48
48 |
152
152 |
70
80 |
2.5
2.5 |
2.5
2.5 |
74.5
64 |
20 h9
18 h9 |
2.5
2.5 |
2
2 |
20x12x70 A
18x11x80 A |
A 70 |
≥ 89
≥ 78 |
80 h7
70 h7 |
79
69 |
303
303 |
58
58 |
187
187 |
90
110 |
3
3 |
3
3 |
85
74.5 |
22 h9
20 h9 |
2.5
2.5 |
2.5
2.5 |
22x14x90 A
20x12x110 A |
A 80 |
≥ 99
≥ 89 |
90 h7
80 h7 |
89
79 |
358
358 |
78
78 |
202
202 |
120
130 |
3
3 |
3
3 |
95
85 |
25 h9
22 h9 |
2.5
2.5 |
2.5
2.5 |
25x14x120 A
22x14x130 A |
A 90 |
≥ 111
≥ 99 |
100 h7
90 h7 |
99
89 |
408
408 |
78
78 |
252
252 |
160
190 |
3
3 |
3
3 |
106
95 |
28 h9
25 h9 |
2.5
2.5 |
2.5
2.5 |
28x16x160 A
25x14x190 A |
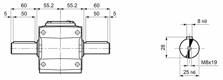
36 - ВАЛ ПРИВОДИМОГО МЕХАНИЗМА US
ТИП
|
A1 |
A2 |
A3 |
A4 |
B |
B1 |
B2 |
R |
S |
A 10 |
≥ 42 |
32 h7 |
29 |
30 h6 |
147.5 |
34 |
77.5 |
0.5 |
1.5 |
A 20 |
≥ 48 |
37 h7 |
34 |
35 h6 |
170 |
40 |
89 |
0.5 |
1.5 |
A 30 |
≥ 54 |
42 h7 |
39 |
40 h6 |
191.5 |
48 |
95.5 |
0.5 |
1.5 |
A 35 |
≥ 54 |
42 h7 |
39 |
40 h6 |
208.5 |
48 |
112.5 |
0.5 |
1.5 |
A 41 |
≥ 60 |
47 h7 |
44 |
45 h6 |
222 |
53 |
117 |
1 |
2 |
A 50 |
≥ 72 |
57 h7 |
54 |
55 g6 |
264 |
46 |
156 |
1 |
2 |
A 55 |
≥ 72 |
62 h7 |
59 |
60 g6 |
266 |
46 |
158 |
2,5 |
2 |
A 60 |
≥ 90 |
72 h7 |
69 |
70 g6 |
293 |
48 |
178 |
2.5 |
2.5 |
A 70 |
≥ 104 |
82 h7 |
79 |
80 g6 |
352.5 |
90 |
172.5 |
2.5 |
2.5 |
A 80 |
≥ 114 |
92 h7 |
89 |
90 g6 |
416 |
100 |
216 |
2.5 |
2.5 |
A 90 |
≥ 126 |
102 h7 |
99 |
100 g6 |
469 |
78 |
321 |
2.5 |
2.5 |
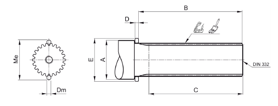
36 - ВАЛ ПРИВОДИМОГО МЕХАНИЗМА UV
| ТИП |
IN 5480 |
Me |
Dm |
A |
B |
C |
D |
E |
DIN 332 |
A 20 |
30x1.25x30x22 |
33.04 0/-0.04 |
2.75 |
≥ 40 |
115.5 |
≥ 95 |
7 |
45 |
M10 |
A 30 |
35x2x30x16 |
38.93 0/-0.04 |
4 |
≥ 45 |
130 |
≥ 112 |
7 |
50 |
M12 |
A 35 |
35x2x30x16 |
38.93 0/-0.04 |
4 |
≥ 45 |
147 |
≥ 129 |
7 |
50 |
M12 |
A 41 |
45x2x30x21 |
48.86 0/-0.04 |
4 |
≥ 55 |
155 |
≥ 136 |
7 |
60 |
M16 |
A 50 |
50x2x30x24 |
54.14 0/-0.05 |
4 |
≥ 60 |
195 |
≥ 175 |
7 |
65 |
M16 |
A 55 |
50x2x30x24 |
54.14 0/-0.05 |
4 |
≥ 60 |
195 |
≥ 175 |
7 |
65 |
M16 |
A 60 |
65x2x30x31 |
68.97 0 /-0.05 |
4 |
≥ 75 |
213 |
≥ 191 |
7 |
80 |
M20 |
36 - ВАЛ ПРИВОДИМОГО МЕХАНИЗМА QV
| ТИП |
КОД ВАЛА |
A |
B |
S |
A 10 |
QF25 |
25 h11 |
≥ 184 |
1.5 |
QF30 |
30 h11 |
A 20 |
QF25 |
25 h11 |
≥ 204 |
1.5 |
QF30 |
30 h11 |
A 30 |
QF30 |
30 h11 |
≥ 227 |
1.5 |
QF35 |
35 h11 |
QF40 |
40 h11 |
A 35 |
QF30 |
30 h11 |
≥ 243.5 |
1.5 |
QF35 |
35 h11 |
QF40 |
40 h11 |
A 41 |
QF40 |
40 h11 |
≥ 252.5 |
2 |
QF45 |
45 h11 |
A 50 |
QF45 |
45 h11 |
≥ 300 |
2 |
QF50 |
50 h11 |
QF55 |
55 h11 |
A 55 |
QF45 |
45 h11 |
≥ 297 |
2 |
QF50 |
50 h11 |
QF55 |
55 h11 |
QF60 |
60 h11 |
A 60 |
QF55 |
55 h11 |
≥ 324 |
2.5 |
QF60 |
60 h11 |
QF65 |
65 h11 |
QF70 |
70 h11 |
|
| |