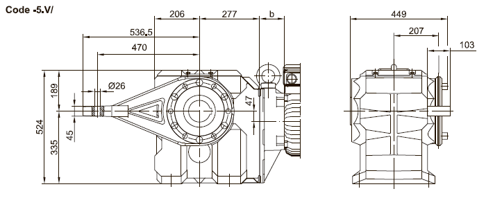
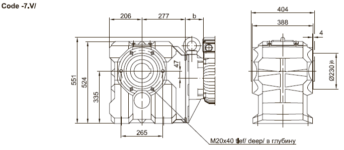
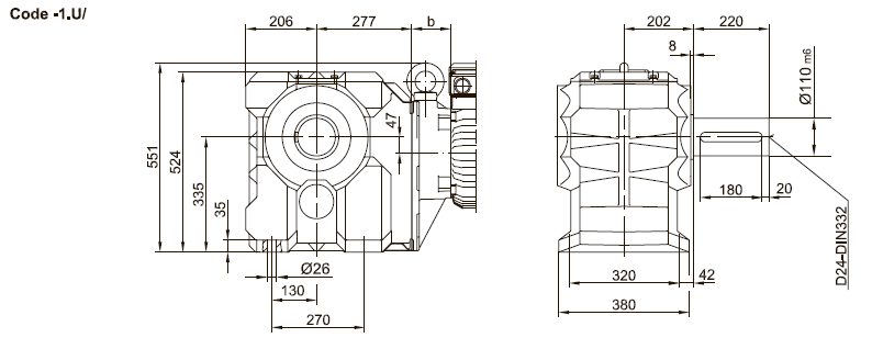
Габаритно-присоединительные размеры BK80 Bauer

 

Назад

 

Фланец со сквозными отверстиями

Фланец со сквозными отверстиями

BK80(Z)

k

l

m

n

о

р

q

s

t

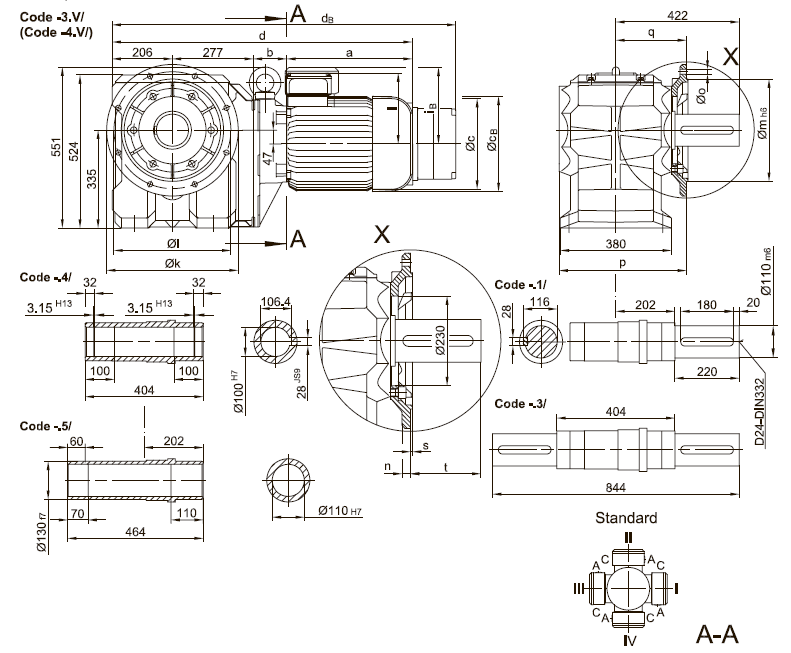
cтандартный -3.V/

450

400

350

22

17.5

439

245

5

177

большой -4.V/

550

500

450

22

17.5

444

250

5

172

 

Тип

a b c d

l

Исполнение с тормозом

Е008

Z008

Z015

Е075


св

св

св

св



BK80Z-../009..

251

252.5

181

986

124

124

192

1066

192

1080

192

1086





BK80-../D11..

319

87

228

889

181

181





231

992

231

1022



BK80Z-../D11..

319

259

228

1061

181

181





231

1164

231

1194




Тур/ Туре/ Тип

a b c d l

Е075

Z075

Z100

Е500


св

св

св

св



BK80-../D13..

393

100

266

976

217

217

277

1111

277

1130







BK80Z-../D13..

393

272

266

1148

217

217

277

1283

277

1302







BK80-../D16..

429

114

322

1026

243

243

326

1159

326

1178

326

1198





BK80Z-../D16..

429

286

322

1198

243

243

326

1331

326

1350

326

1370





BK80-../D18..

528

136

368

1147

288

288





366

1327

366

1308



BK80-..-C-DNF22S

612

281

390

1376

314












BK80-..-C-DNF22M

652

281

390

1416

314












 

Исполнение с моментным рычагом

Исполнение с моментным рычагом

Фланец резьбовыми отверстиями впереди

 

Лапы со сквозными отверстиями внизу

Лапы со сквозными отверстиями внизу

Назад

 
© 2014 Редукторы, мотор-редукторы, устройства плавного пуска, преобразователи частоты