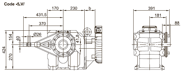
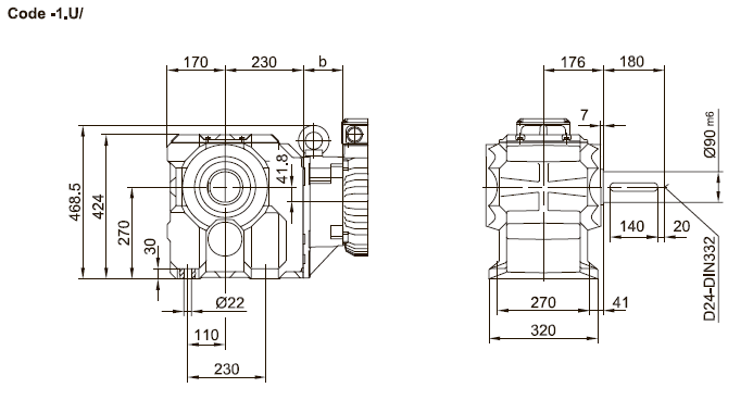
Габаритно-присоединительные размеры BK70 Bauer

 

Назад

 

Фланец со сквозными отверстиями

Фланец со сквозными отверстиями

BK70(Z)

k l

m

n

о

р

q

s

t

стандартный -3.V/

400

350

300

20

4 х 17.5

369

200

5

156

малый -2.V/

350

300

250

20

4 х 17.5

369

200

5

156

большой -4.V/

450

400

350

22

8 х 17.5

379

210

5

146

 

Тип

a b c d

l

Исполнение с тормозом

Е008

Z008

Z015

Е075

Z075

Z100

Е500

св

св

св

<iв

св

св

св

св

BK70Z-../D08..

200

202

156

802

115

115

166

877













BK70-../D09..

251

83.5

181

734

124

124

192

814

192

828

192

834









BK70Z-../D09..

251

216.5

181

867

124

124

192

947

192

961

192

967









BK70-../D11..

319

90

228

809

181

181





231

912

231

942







BK70Z-../D11..

319

223

228

942

181

181





231

1045

231

1075







BK70-../D13..

393

103

266

896

217

217







277

1031

277

1050





BK70Z-../D13..

393

236

266

1029

217

217







277

1164

277

1183





BK70-../D16..

429

117

322

946

243

243







326

1079

326

1098

326

1118



BK70Z-../D16..

429

250

322

1079

243

243







326

1212

326

1231

326

1251



BK70-../D18..

528

139

368

1067

288

288











366

1247

366

1228

 

Исполнение с моментным рычагом

Исполнение с моментным рычагом

Фланец резьбовыми отверстиями впереди

Фланец резьбовыми отверстиями впереди


Лапы с резьбовыми отверстиями внизу

Лапы с резьбовыми отверстиями внизу

Лапы со сквозными отверстиями внизу

Лапы со сквозными отверстиями внизу

Назад

 
© 2014 Редукторы, мотор-редукторы, устройства плавного пуска, преобразователи частоты