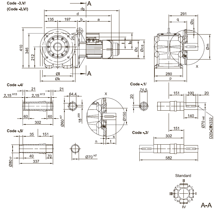
Габаритно-присоединительные размеры BK60 Bauer

 

Назад

 

Фланец со сквозными отверстиями

Фланец со сквозными отверстиями

BK60(Z)

k

l

m

n

о

р

q

s

t

стандартный -3.V/

350

300

250h6

20

17.5

324

180

5

111

малый -2.V/

300 265 230j6 20

13.5

332

188

4

103

 

Тип

a b c d

l

Исполнение с тормозом

Е008

Z008

Z015

Е075

Z075

Z100

св

св

св

св

св

св

BK60Z-../008..

200

181

156

713

115

115

166

788











ВК60-../009..

251

85.5

181

668

124

124

192

748

192

762

192

768







BK60Z-../D09..

251

195.5

181

778

124

124

192

858

192

872

192

878







BK60-../D11..

319

92

228

743

181

181





231

846

231

876





BK60Z-../011..

319

202

228

853

181

181





231

956

231

986





BK60-../D13..

393

105

266

830

217

217







277

965

277

984



BK60-../D16..

429

119

322

880

243

243







326

1013

326

1032

326

1052

 

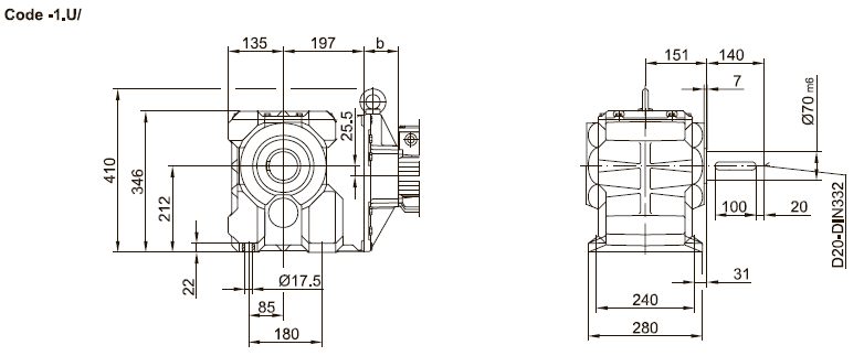
Исполнение с моментным рычагом

Исполнение с моментным рычагом

Фланец резьбовыми отверстиями впереди

Фланец резьбовыми отверстиями впереди


Лапы с резьбовыми отверстиями внизу

Лапы с резьбовыми отверстиями внизу

Лапы со сквозными отверстиями внизу

Лапы со сквозными отверстиями внизу

Назад

 
© 2014 Редукторы, мотор-редукторы, устройства плавного пуска, преобразователи частоты