Габаритно-присоединительные размеры BK50 Bauer

 

Назад

 

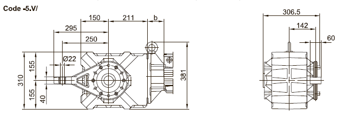
Фланец со сквозными отверстиями

Фланец со сквозными отверстиями

ВК50(Z)

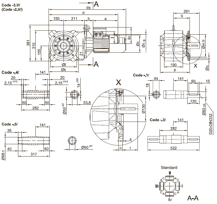
k

l m

n

о

p

q

s

t

стандартный-3.V/

300

265

230

20

13.5

298.5

164

4

97

малый-2.V/

250

215

180

16

13.5

296

161

4

100

 

Тип

a b c d

l

Исполнение с тормозом

Е003

Е004

Е008

Z008

Z015

Е075

Z075

Z100

Св

Св

Св

Св

Св

Св

Св

Св

BK50Z-../D05..

170

155

123

687

100

100

123

729















BK50Z-../D06..

170

155

123

687

100

100

123

729















BK50Z-../D07..

190

155

123

707

100

100

123

749

123

749













BK50-../D08..

200

73

156

634

115

115





166

709











BK50Z-../D08..

200

159

156

720

115

115





166

795











BK50-../D09..

251

87.5

181

699

124

124





192

779

192

793

192

799







BK50Z-../D09..

251

173.5

181

785

124

124





192

865

192

879

192

885







BK50-../D11..

319

94

228

774

181

181









231

877

231

907





BK50-../D13..

393

107

266

861

217

217











277

996

277

1015



BK50-../D16..

429

121

322

911

243

243











310

1044

310

1063

310

1083

 

Исполнение с моментным рычагом

Исполнение с моментным рычагом

Фланец резьбовыми отверстиями впереди

Фланец резьбовыми отверстиями впереди


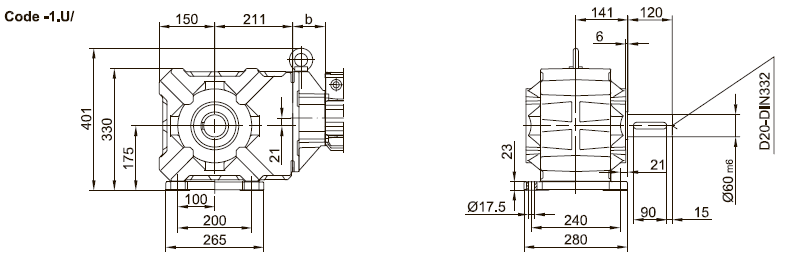
Лапы с резьбовыми отверстиями внизу

Лапы с резьбовыми отверстиями внизу

Лапы со сквозными отверстиями внизу

Лапы со сквозными отверстиями внизу

Назад

 
© 2014 Редукторы, мотор-редукторы, устройства плавного пуска, преобразователи частоты