Габаритно-присоединительные размеры BG90

 

Назад

 

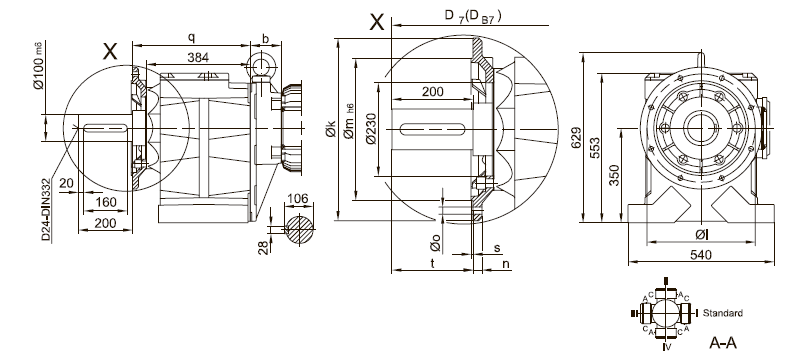
Вариант исполнения на лапах

Вариант исполнения на лапах BG90

Фланец со сквозными отверстиями

Фланец со сквозными отверстиями BG90

BG90(Z)

k

l

m

n

о

q

s

t

D7

Dв7

стандартный -37/

450

400

350

22

17.5

439

5

200

d+43

dв +43

большой -47/

550

500

450

22

17.5

444

5

195

d+43

dв +43

 

Тип

a b c d i

Исполнение с тормозом

ЕОО8

Z008

015

Е075


св

св

св

св



BG100Z-../D09..

251

252.5

181

1239

124

124

192

1319

192

1333

192

1339





BG100-../D11..

319

87

228

1142

181

181





231

1245

231

1275



BG100Z-../D11..

319

259

228

1314

181

181





231

1417

231

1457



Тип

a b r d i

075

Z075

Z100

500


св

св

св

св



EG100-../D13..

393

100

r55

1229

217

217

277

1364

277

1383







BG100Z-../D13..

393

272

266

1401

217

217

277

1536

277

1555







BG100-../D16..

429

114

322

1279

243

243

326

1412

326

1431

326

1451





BG100Z-../D16..

429

286

322

1451

243

243

326

1584

326

1603

326

1623





EG100-../D18..

528

136

368

1400

288

288





366

1580

366

1561



EG100-..-C-DNF22S

612

281

390

1629

314












BG100-..-C-DNF22M

652

281

390

1669

314












Назад

 
© 2014 Редукторы, мотор-редукторы, устройства плавного пуска, преобразователи частоты