|
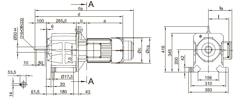
Вариант исполнения на лапах

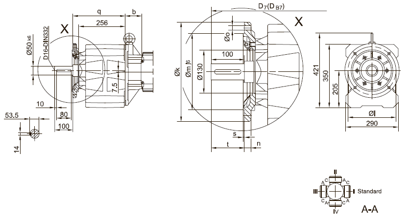
Фланец со сквозными отверстиями

BG60(Z) |
k |
|
m |
n |
о |
q |
s |
t
|
D7 |
DВ7 |
стандартный -37/ |
300 |
265 |
230 |
20 |
13.5 |
289 |
4 |
100 |
d+23.5 |
dв+23.5 |
малый -27/ |
250 |
215 |
180 |
16 |
13.5 |
286 |
4 |
103 |
d+23.5 |
dв+23.5 |
Тип |
a |
b |
c |
d |
i
|
Исполнение с тормозом |
iв |
ЕОО8 |
Z008 |
Z015 |
Е075 |
Z075 |
Z100 |
СВ |
dв |
СВ |
dв |
СВ |
dв |
СВ |
dв |
СВ |
dв |
СВ |
dв |
BG60Z-../D08.. |
200 |
181 |
156 |
746 |
115 |
115 |
166 |
821 |
|
|
|
|
|
|
|
|
|
|
BG60-../D09.. |
251 |
85.5 |
181 |
702 |
124 |
124 |
192 |
781 |
192 |
795 |
192 |
801 |
|
|
|
|
|
|
BG60Z-../D09.. |
251 |
195.5 |
181 |
812 |
124 |
124 |
192 |
891 |
192 |
905 |
192 |
911 |
|
|
|
|
|
|
BG60-../D11.. |
319 |
92 |
228 |
777 |
181 |
181 |
|
|
|
|
231 |
879 |
231 |
909 |
|
|
|
|
BG60Z-../D11.. |
319 |
202 |
228 |
887 |
181 |
181 |
|
|
|
|
231 |
989 |
231 |
1019 |
|
|
|
|
BG60-../D13.. |
393 |
105 |
266 |
864 |
217 |
217 |
|
|
|
|
|
|
277 |
998 |
277 |
1018 |
|
|
BG60-../D16.. |
429 |
119 |
322 |
914 |
243 |
243 |
|
|
|
|
|
|
326 |
1047 |
326 |
1066 |
326 |
1085 |
|