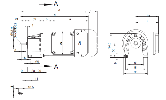
Вариант исполнения на лапах
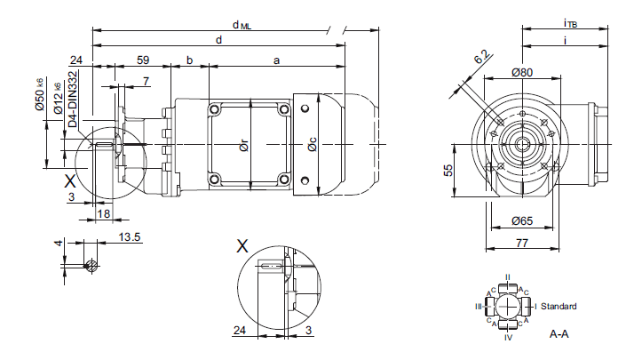
Фланец со сквозными отверстиями
Тип
a
b
c
d
i
r
E..
G
E...-G
RR/RL
dML
BG04-../D04..
143
40
111
266
90
96
124,5
309.5
328.5
372
-