|
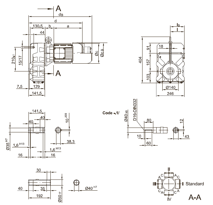
Вариант исполнения с литым моментным рычагом

Тип |
a |
b |
c |
d |
l
|
Исполнение с тормозом |
iв |
ЕОО3 |
ЕОО4 |
ЕОО8 |
Z008 |
Z015 |
ЕО75 |
св |
dв |
св |
dв |
Св |
dв |
св |
dв |
св |
dв |
св |
dв |
BF30-../D05. |
170 |
58 |
123 |
373 |
100 |
100 |
123 |
415 |
|
|
|
|
|
|
|
|
|
|
BF30Z-../005.. |
170 |
133.5 |
123 |
448 |
100 |
100 |
123 |
490 |
|
|
|
|
|
|
|
|
|
|
BF30-../D06.. |
170 |
58 |
123 |
373 |
100 |
100 |
123 |
415 |
|
|
|
|
|
|
|
|
|
|
BF30Z-../006.. |
170 |
133.5 |
123 |
448 |
100 |
100 |
123 |
490 |
|
|
|
|
|
|
|
|
|
|
BF30-../D07.. |
190 |
58 |
123 |
393 |
100 |
100 |
123 |
435 |
123 |
435 |
|
|
|
|
|
|
|
|
BF30Z-../D07.. |
190 |
133.5 |
123 |
468 |
100 |
100 |
123 |
510 |
123 |
510 |
|
|
|
|
|
|
|
|
BF30-../D08.. |
200 |
62 |
156 |
406 |
115 |
115 |
|
|
|
|
166 |
481 |
|
|
|
|
|
|
BF30Z-../008.. |
200 |
137.5 |
156 |
481 |
115 |
115 |
|
|
|
|
166 |
556 |
|
|
|
|
|
|
BF30-../D09.. |
251 |
76.5 |
181 |
471 |
124 |
124 |
|
|
|
|
192 |
551 |
192 |
565 |
192 |
571 |
|
|
BF30Z-../D09.. |
251 |
152 |
181 |
547 |
124 |
124 |
|
|
|
|
192 |
626 |
192 |
640 |
192 |
646 |
|
|
BF30-../D11.. |
319 |
83 |
228 |
546 |
181 |
181 |
|
|
|
|
|
|
|
|
231 |
648.5 |
231 |
678.5 |
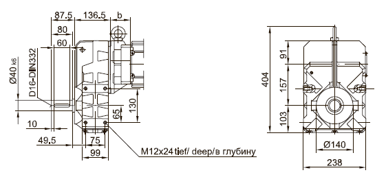
Фланец с резьбовыми отверстиями

Фланец со сквозными отверстиями

BF30(Z) |
k |
l
|
m |
n |
о |
q |
s |
t
|
стандартный -3./ |
250 |
215 |
80 |
16 |
13.5 |
169.5 |
4 |
54.5 |
малый -2./ |
200 |
165 |
130 |
12 |
11 |
160.5 |
3.5 |
63.5 |
Лапы с резьбовыми отверстиями слева и справа

|