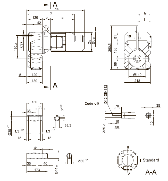
Габаритно-присоединительные размеры BF20

 

Назад

 

Вариант исполнения с литым моментным рычагом

Вариант исполнения с литым моментным рычагом

Типы

a b c d

l

Исполнение с тормозом

ЕОО3

ЕОО4

ЕОО8

Z008

Z015


СВ

СВ

СВ

СВ

СВ



BF20Z-../D04 .

143

100

111

374

90

90

111

417











BF20-../D05..

170

60

123

362

100

100

123

404











BF20Z-../D05 .

170

102

123

404

100

100

123

446











BF20-../D06.

170

60

123

362

100

100

123

404











BF20Z-../D06 .

170

102

123

404

100

100

123

446











BF20-../D07..

190

60

123

382

100

100

123

424

123

424









BF20Z-../D07..

190

102

123

424

100

100

123

466

123

466









BF20-../D08..

200

64

156

395

115

115





166

470







BF20Z-../D08..

200

146

156

477

115

115





166

552







BF20-../D09.

251

78.5

181

460

124

124





192

540

192

554

192

560



Фланец с резьбовыми отверстиями

Фланец с резьбовыми отверстиями

Фланец со сквозными отверстиями

Фланец со сквозными отверстиями

 

BF20(Z)

k

l

m

n

о

q

s

t

стандартный -3./

250

215

180

16

13.5

159

4

42

малый -2./

200

165

130

12

11

150

3.5

51

Лапы с резьбовыми отверстиями слева и справа

Лапы с резьбовыми отверстиями слева и справа

Назад

 
© 2014 Редукторы, мотор-редукторы, устройства плавного пуска, преобразователи частоты