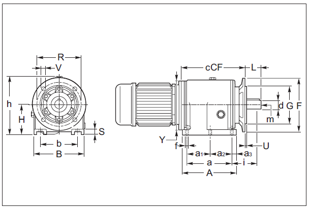
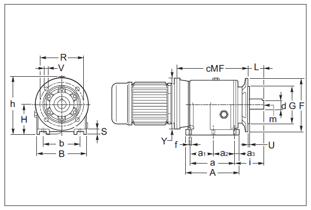
Габаритно-присоединительные размеры AMP 140, ACP 140, AMF 140, ACF 140, AMP/F 140, ACP/F 140, AMP/F1 140, ACP/F1 140

 

Назад

 

Вариант исполнения AMP 140

Вариант исполнения AMP 140

Вариант исполнения ACP 140

Вариант исполнения ACP 140

 

AM AC AR

a

a1

a2

a3

A

b

B

cRP

d h6

d1 j6

f

h

H

i

L

L1

LRP

m

m1

Q

S

50

130



12.5

155

110

145

227

25

16

9.5

170

90

75

50

40

317

M8

M6

15



(24) (30)

(75) (85)

(50) (60)

(317) (327)

(M8) (M10)

55

165



15

195

135

180

/2 238.5

30

16

14

203

115

90


40

/2 338.5

M10

M6

11

23



/3 257.0

60

/3 357.0

60

165



15

195

135

185

269

30

(28) (35)

19

14

210

115

90

(90) (100)

60

(60) (70)

40

369

(369) (379)

M10 (M10)

(M10)

M6

20

70

195



20

235

150

210

/2 266.5

35

19

14

233

130

100

70

40

/2 376.5

M10

M6

13.5

23



/3 288.5

/3 398.5

80

205

20

245

170

230

309.5

40

(38)

24

20

265

140

115

(115)

80

(80)

50

440

(440)

M10 (M10)

M8

25

90

260



25

310

215

280

/2 332.5

50

24

20

307

195

140

100

50

/2 482.5

M12

M8

39.5

35



/3 347.5

(48)

/3 497.5

(M12)

100

260



21

306

215

290

395

50

28

20

322

180

140

100

60

555

M12

M8

35



(48)

(140)

(100)

(555)

(M12)

110

310



25

360

250

320

422

60

28

23

351

225

160

120

60

602

M12

M8

36

35

120

310



27.5

365

250

350

460

60

38

23

415

225

160

120

80

660

M12

M10

45

140

370



35

440

290

400

/2 458.5

70

38

27

423

270

185

140

110

/2 708.5

M16

M10

41.4

60



/3 508.0

/3 758.0

 

AMP

IEC

50

55

60

70

80

90

100

110

120

140

Y

cMP

Y

cMP

Y

cMP

Y

cMP

Y

cMP

Y

cMP

Y

cMP

Y

cMP

Y

cMP

Y

cMP

AMP../2

B5

140

198

160

233.5

160

235

200

284.5

200

291

250

313

250

347.4

250

374

250

409

300

465

160

198

200

233.5

200

250

250

284.5

250

303

300

345

300

347.4

300

374

300

409

350

474

200

218

250

244

250

260

300

284.5

300

322

350

364

350

411.4

350

438

350

451.5

400

479

250

228

300

284

350

352

400

416.4

400

443

400

456.5

450

519

450

465.5

550

519

B14

120

218

120

233.5

120

250

200

284.5

200

347.4

200

374

200

409

140

218

140

233.5

140

250

160

228

160

244

160

260

160

262

200

284


AMP../3

B5

140

198

140

228

160

235

160

254.5

200

291

200

338.5

200

340.4

200

367

200

392

250

457

160

198

160

228

200

250

200

269.5

250

301

250

331

250

350.4

250

377

250

410

300

457

200

218

200

238

250

260

250

279.5

300

370.4

300

397

300

421

350

499.5

400

504.5

450

513.5

B14

120

218

120

238

120

250

120

269.5

200

457

140

218

140

238

140

250

140

269.5

160

260

160

279.5

 

ACP


50

55

60

70

80

90

cCF

ACP../2

159

191

234

ACP../3

159

189

191

210.5

234

271

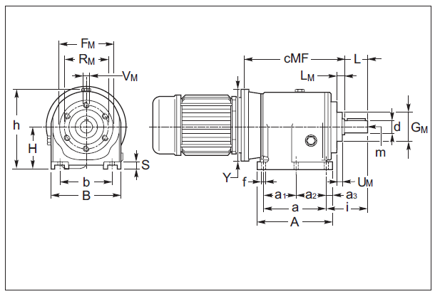
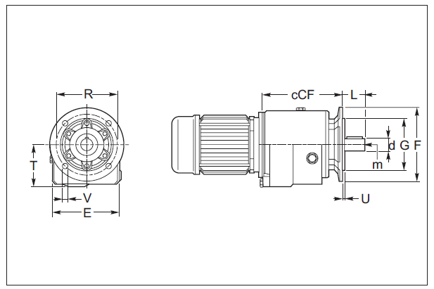
Вариант исполнения AMF 140

Вариант исполнения AMF 140

Вариант исполнения ACF 140

Вариант исполнения ACF 140

AM AC AR

cRF

d h6

d1 j6

E

L

L1

LRF

m

m1

Q

T

50

235

25

(24) (30)

16

145

50

(50) (60)

40

325

(325) (335)

M8 (M8) (M10)

M6

89.5

55

/2 238

/3 256.5

30

16

186

60

40

/2 338

/3 356.5

M10

M6

11

114

60

280

30

(28) (35)

19

185

60

(60) (70)

40

380

(380) (390)

M10 (M10) (M10)

M6

114

70

/2 266.5

/3 288.5

35

19

212

70

40

/2 376.5

/3 398.5

M10

M6

13.5

129

80

317

40

(38)

24

230

80

(80)

50

447

(447)

M10 (M10)

M8

139

90

/2 332.5

/3 347.5

50

(48)

24

264

100

50

/2 482.5

/3 497.5

M12 (M12)

M8

39.5

192.5

100

395

50

(48)

28

290

100

(100)

60

555

(555)

M12 (M12)

M8

178

110

422

60

28

314

120

60

602

M12

M8

36

222

120

491

60

38

350

120

80

691

M12

M10

225

140

/2 458.5

/3 508.0

70

38

414

140

110

/2 708.5

/3 758.0

M16

M10

41.4

322

 


AMF.. - ACF..

50

55

60

70

80

90

100

110

120

140

F1

F2

F3

F4

F1

F2

F3

F1

F2

F3

F1

F2

F1

F2

F1

F2

F1

F2

F1

F2

F3

F1

F2

F3

F1

F2

F3

F

120

160

200

250

160

200

250

160

200

250

250

300

250

300

300

350

300

350

350

450

400

350

450

400

350

400

450

FQ

G(g6)

80

110

130

180

110

130

180

110

130

180

180

230

180

230

230

250

230

250

250

350

300

250

350

300

250

300

350

R

100

130

165

215

130

165

215

130

165

215

215

265

215

265

265

300

265

300

300

400

350

300

400

350

300

350

400

V

9

10

13

15

10

13

15

10

13

15

15

15

15

15

15

19

15

19

19

19*

18

19

19*

18

19

19*

19*

U

3

3.5

3.5

4

3

3.5

3.5

3

3.5

3.5

4

4

4

4

4

5

4

5

5

5

5

5

5

5

5

5

5

 

AMF

IEC

50

55

60

70

80

90

100

110

120

140

Y

cMF

Y

cMF

Y

cMF

Y

cMF

Y

cMF

Y

cMF

Y

cMF

Y

cMF

Y

cMF

Y

cMF

AMF../

B5

140

206

160

233.5

160

246

200

284.5

200

298

250

313

250

347.4

250

374

250

440

300

465

160

206

200

233.5

200

261

250

284.5

250

308

300

345

300

347.4

300

374

300

440

350

474

200

226

250

243.5

250

271

300

284.5

300

329

350

364

350

411.4

350

438

350

482.5

400

479

250

236

300

295

350

359



400

416.4

400

443

400

487.5

450

519

450

496.5

550

519

B14

120

226

120

233.5

120

261

200

284.5

200

347.4

200

374

200

440

140

226

140

233.5

140

261

160

236

160

243.5

160

271

160

262


200

295

AMF../3

B5

140

206

140

228

160

246

160

254.5

200

298

200

331

200

340.4

200

367

200

423

250

457

160

206

160

228

200

261

200

269.5

250

308

250

338.5

250

350.4

250

377

250

445

300

457

200

226

200

238

250

271

250

279.5

300

370.4

300

397

300

452

350

499.5


400

504.5

450

513.5


B14

120

226

120

238

120

261

120

269.5

200

457

140

226

140

238

140

261

140

269.5


160

271

160

279.5

 

ACF


50

55

60

70

80

90

cCP

ACF../2

167

202

241

ACF../3

167

189

202

210.5

241

271

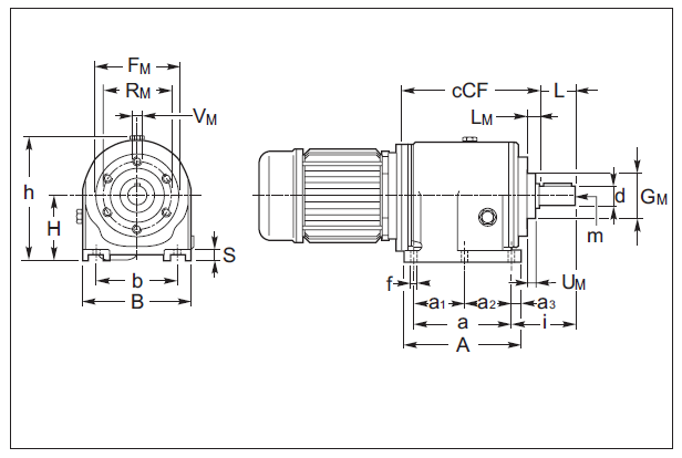
Вариант исполнения AMP/F 140

Вариант исполнения AMP/F 140

Вариант исполнения ACP/F 140

Вариант исполнения ACP/F 140

AM AC AR

a

a1

a2

a3

A

b

B

cRP

d h6

d1 j6

f

h

H

i

L

L1

LRF

m

m1

Q

S

50

130



12.5

155

110

145

235

25

16

9.5

170

90

83

50

40

325

M8

M6

15

(24) (30)

(83) (93)

(50) (60)

(325) (335)

(M8) (M10)

55

165

15

195

135

180

/2 238.5

30

16

14

203

115

90


40

/2 338.5

M10

M6

11

23

/3 257.0

60

/3 357.0

60

165

15

195

135

185

280

30

(28) (35)

19

14

210

115

101

(101) (111)

60

(60) (70)

40

380

(380) (390)

M10 (M10)

(M10)

M6

20

70

195

20

235

150

210

/2 266.5

35

19

14

233

130

100

70

40

/2 376.5

M10

M6

13.5

23

/3 288.5

/3 398.5

80

205

20

245

170

230

317

40

24

20

265

140

123

80

50

447

M10

M8

25

(38)

(123)

(80)

(447)

(M10)

90

260

25

310

215

280

/2 332.5

50

24

20

307

195

140

100

50

/2 482.5

M12

M8

39.5

35

/3 347.5

(48)

/3 497.5

(M12)

110

310

25

360

250

320

422

60

28

23

351

225

160

120

60

602

M12

M8

36

35

120

310

27.5

365

250

350

491

60

38

23

415

225

191

120

80

691

M12

M10

45

140

370

35

440

290

400

/2 458.5

70

38

27

423

270

185

140

110

/2 708.5

M16

M10

41.4

60

/3 508.0

/3 758.0

 

-

AMP/F. - ACP/F.

50

55

60

70

80

90

110

120

140

FM

110

110

110

Look picture

156.9

155

Look picture

230

Look picture

GM(g6)

74

74

74

114

110 (G6)

170

LM

16

16

16

20

20

23

31.5

26.5

45.5

RM

94

94

94

Look picture

136

130

Look picture

200

Look picture

VM

M8

M8

M8

M10

M10

M12

UM

7

6

6

7

13

10

10

18

22

 

-

IEC

50

55

60

70

80

90

100

110

120

140

Y

cMF

Y

cMF

Y

cMF

Y

cMF

Y

cMF

Y

cMP

Y

cMF

Y

cMF

Y

cMF

Y

cMF

AMP/F../2

B5

140

206

160

233.5

160

246

200

284.5

200

298

250

313

250

347.4

250

374

250

440

300

465

160

206

200

233.5

200

261

250

284.5

250

308

300

345

300

347.4

300

374

300

440

350

474

200

226

250

244

250

271

300

284.5

300

329

350

364

350

411.4

350

438

350

482.5

400

479

250

236

300

295

350

359

400

416.4

400

443

400

487.5

450

519

450

496.5

550

519

B14

120

226

120

233.5

120

261

200

284.5

200

347.4

200

374

200

440

140

226

140

233.5

140

261

160

236

160

244

160

271

160

262


200

295

AMP/F../3

B5

140

206

140

228

160

246

160

254.5

200

298

200

331

200

340.4

200

367

200

423

250

457

160

206

160

228

200

261

200

269.5

250

308

250

338.5

250

350.4

250

377

250

445

300

457

200

226

200

238

250

271

250

279.5

300

370.4

300

397

300

452

350

499.5


400

504.5

450

513.5

B14

120

226

120

238

120

261

120

269.5

200

457

140

226

140

238

140

261

140

269.5

160

271

160

279.5

 

ACP/F


50

55

60

70

80

90

cCP

ACP/F../2

167

202

241

ACPF../3

167

189

202

210.5

241

271

Вариант исполнения AMP/F1 140

Вариант исполнения AMP/F1 140

Вариант исполнения ACP/F1 140

Вариант исполнения ACP/F1 140

AM AC AR

a

a1

a2

a3

A

b

B

cRP

d h6

d1 j6

f

h

H

i

L

L1

LRF

m

m1

Q

S

50

130

12.5

155

110

145

235

25

16

9.5

170

90

83

50

40

325

M8

M6

15

(24) (30)

(83) (93)

(50) (60)

(325) (335)

(M8) (M10)

55

165

15

195

135

180

/2 238.5

30

16

14

203

115

90


40

/2 338.5

M10

M6

11

23

/3 257.0

60

/3 357.0

60

165

15

195

135

185

280

30

(28) (35)

19

14

21

115

101

(101) (111)

60

(60) (70)

40

380

(380) (390)

M10 (M10)

(M10)

M6

20

70

195

20

235

150

210

/2 266.5

35

19

14

233

130

100

70

40

/2 376.5

M10

M6

13.5

23

/3 288.5

/3 398.5

80

205

20

245

170

230

317

40

24

20

265

140

123

80

50

447

M10

M8

25

(38)

(123)

(80)

(447)

(M10)

90

260

25

310

215

280

/2 332.5

50

24

20

307

195

140

100

50

/2 482.5

M12

M8

39.5

35

/3 347.5

(48)

/3 497.5

(M12)

110

310

25

360

250

320

422

60

28

23

352

225

160

120

60

602

M12

M8

36

35

120

310

27.5

365

250

350

491

60

38

23

415

225

191

120

80

691

M12

M10

45

140

370

35

440

290

400

/2 458.5

70

38

27

423

270

185

140

110

/2 708.5

M16

M10

41.4

60

/3 508.0

/3 758.0

 


AMP/F1.. - ACP/F1..

50

55

60

70

80

90

100

110

120

140

F1

F2

F3

F4

F1

F2

F3

F1

F2

F3

F1

F1

F2

F1

F2

F1

F2

F1

F2

F3

F1

F2

F3

F1

F2

F3

F

120

160

200

250

160

200

250

160

200

250

250

250

300

300

350

300

350

350

450

400

350

450

400

350

400

450

FQ

G(g6)

80

110

130

180

110

130

180

110

130

180

180

180

230

230

250

230

250

250

350

300

250

350

300

250

300

350

R

100

130

165

215

130

165

215

130

165

215

215

215

265

265

300

265

300

300

400

350

300

400

350

300

350

400

V

9

10

13

15

10

13

15

10

13

15

15

15

15

15

19

15

19

19

19*

18

19

19*

18

19

19*

19*

U

3

3.5

3.5

4

3

3.5

3.5

3

3.5

3.5

4

4

4

4

5

4

5

5

5

5

5

5

5

5

5

5

 

AMF

IEC

50

55

60

70

80

90

100

110

120

140

Y

cMF

Y

cMF

Y

cMF

Y

cMF

Y

cMF

Y

cMF

Y

cMF

Y

cMF

Y

cMF

Y

cMF

AMP/F1../2

B5

140

206

160

233.5

160

246

200

284.5

200

298

250

313

250

347.4

250

374

250

440

300

465

160

206

200

233.5

200

261

250

284.5

250

308

300

345

300

347.4

300

374

300

440

350

474

200

226

250

243.5

250

271

300

284.5

300

329

350

364

350

411.4

350

438

350

482.5

400

479

250

236

300

295

350

359



400

416.4

400

443

400

487.5

450

519

450

496.5

550

519

B14

120

226

120

233.5

120

261

200

284.5

200

347.4

200

374

200

440

140

226

140

233.5

140

261

160

236

160

243.5

160

271

160

262


200

295

AMP/F1../3

B5

140

206

140

228

160

246

160

254.5

200

298

200

331

200

340.4

200

367

200

423

250

457

160

206

160

228

200

261

200

269.5

250

308

250

338.5

250

350.4

250

377

250

445

300

457

200

226

200

238

250

271

250

279.5

300

370.4

300

397

300

452

350

499.5

400

504.5

450

513.5


B14

120

226

120

238

120

261

120

269.5

200

457

140

226

140

238

140

261

140

269.5


160

271

160

279.5

 

ACP/F1.


50

55

60

70

80

90

cCP

ACP/F1../2

167

202

241

ACP/F1../3

167

189

202

210.5

241

271

Назад

 
© 2014 Редукторы, мотор-редукторы, устройства плавного пуска, преобразователи частоты