Габаритные и присоединительные размеры мотор-редукторы Bonfiglioli A 90

 

Назад

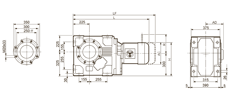
A 90...M

A 90...M

 

ТИП


M_FD M_FA

M_FD

M_FA

AC

H

L

AD

Вес

LF

Вес

R

AD

R

AD

A 90 3

S3

M3S

195

397.5

930.5

142

413

1026.5

420

160

155

160

142

A 90 3

S3

M3L

195

397.5

962.5

142

420

1053.5

427

160

155

160

142

A 90 3

S4

M4

258

429

1070.5

193

454

1179.5

472

226

193

217

193

A 90 3

S4

M4LC

258

429

1105.5

193

462

1204.5

480

226

193

217

193

A 90 3

S5

M5S

310

455

1157

245

482

1297

512

266

245

247

245

A 90 3

S5

M5L

310

455

1201

245

498

1341

528

266

245

247

245

A 90 4

S1

M1S

138

369

917.5

108

411

980.5

247

103

132

124

108

A 90 4

S1

M1L

138

369

941.5

108

412

1002.5

249

103

132

124

108

A 90 4

S2

M2S

156

378

970.5

119

422

1040.5

426

129

143

134

119

A 90 4

S3

M3S

195

397.5

1013.5

142

427

1109.5

434

160

155

160

142

A 90 4

S3

M3L

195

397.5

1045.5

142

434

1136.5

441

160

155

160

142

A 90 4

S4

M4

258

429

1153.5

193

468

1262.5

486

226

193

217

193

 

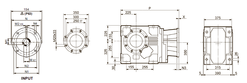
A 90...P(IEC)

A 90...P(IEC)

 

ТИП

M

M1

M2

N

N1

N2

N3

N4

X

P

Вес

A 90 3

P80

19

21.8

6

200

165

130

M10x12

4

723

400

A 90 3

P90

24

27.3

8

200

165

130

M10x12

4

723

400

A 90 3

P100

28

31.3

8

250

215

180

M12x16

4.5

733

401

A 90 3

P112

28

31.3

8

250

215

180

M12x16

4.5

733

401

A 90 3

P132

38

41.3

10

300

265

230

16

14

5

769.5

409

A 90 3

P160

42

45.3

12

350

300

250

23

18

6

825

428

A 90 3

P180

48

51.8

14

350

300

250

23

18

6

825

429

A 90 3

P200

55

59.3

16

400

350

300

M16x25

7

850

436

A 90 3

P225

60

64.4

18

450

400

350

30

18

6

895.5

472

A 90 3

P250

65

69.4

18

550

500

450

30

18

6

925.5

475

A 90 4

P63

11

12.8

4

140

115

95

M8x19

4

786.5

411

A 90 4

P71

14

16.3

5

160

130

110

M8x16

4.5

786.5

412

A 90 4

P80

19

21.8

6

200

165

130

M10x12

4

806

413

A 90 4

P90

24

27.3

8

200

165

130

M10x12

4

806

413

A 90 4

P100

28

31.3

8

250

215

180

M12x16

4.5

816

415

A 90 4

P112

28

31.3

8

250

215

180

M12x16

4.5

816

415

A 90 4

P132

38

41.3

10

300

265

230

16

14

5

852.5

423

A 90 4

P160

42

45.3

12

350

300

250

23

18

5.5

903

434

A 90 4

P180

48

51.8

14

350

300

250

23

18

5.5

903

434

 

A 90...F...

A 90...F...

A 90...UR

A 90...UR

A 90...UD

A 90...UD

A 90...UH

A 90...UH

A 90...US

A 90...US

Назад

 
© 2014 Редукторы, мотор-редукторы, устройства плавного пуска, преобразователи частоты